Générateur de goupilles d’arrêt

Valeurs recommandées :
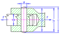
d = (0.2 -0.3) D
D1 = (1.5 - 2) D - pour acier et acier moulé
D1 = 2.5 D - pour fonte grise
Longueur active de broche
La longueur active de broche l f est la longueur réduite par le chanfrein et le congé de dent. La longueur active supporte généralement la charge.
Formules
Vérification de la contrainte de cisaillement

Vérification de la pression de contact

Interprétations des symboles en unités métriques :
| τ | contrainte de cisaillement [MPa] |
τ A | contrainte de cisaillement admissible [MPa] |
d | diamètre de la broche [mm] |
p 1 | pression dans la barre [MPa] |
p 2 | pression dans le manchon [MPa] |
p 1A | pression admissible dans le manchon [MPa] |
p 2A | pression admissible dans la barre [MPa] |
D | diamètre de la barre [mm] |
D 1 | diamètre du manchon [mm] |
Interprétations des symboles en unités anglo-saxonnes :
| τ | contrainte de cisaillement [psi] |
τ A | contrainte de cisaillement admissible [psi] |
d | diamètre de la broche [po] |
p 1 | pression dans la barre [psi] |
p 2 | pression dans le manchon [psi] |
p 1A | pression admissible dans le manchon [psi] |
p 2A | pression admissible dans la barre [psi] |
D | diamètre de la barre [po] |
D 1 | diamètre du manchon [po] |