| Tulajdonság | Példa | Leírás |
|---|---|---|
|
Pont visszaidézése: az aktív alakzatot egy szakasz segítségével az utolsó ponthoz vagy egy megadott pontazonosítóhoz kötő kód. |
EP1 RPN EP1 RPN101 |
Az EP1 az alakzat neve, és névegyezés esetén folytat egy aktív alakzatot. Az RPN a Pont visszaidézésének kódja, és ha nincs pont, akkor az előző pontot az aktuális ponttal köti össze, és az aktuális pont előtt beilleszt egy szakaszt. Az EP1 RPN101 kód az aktuális pontot a jelzett ponttal köti össze. |
|
Pont csatlakoztatása: olyan kód, amely egy új alakzat létrehozását jelzi (ugyanazon alakzaton belül), amely egy, az aktuális pontból a megadott pontazonosítóba vezető vonalszakasszal jön létre. A megadott pontazonosító a Pont csatlakoztatása kódot követi. |
EP1 B CPN101 |
Ebben a példában új alakzat jön létre az aktuális pontban, illetve a program egy másik vonalszakaszos új alakzatot is rajzol a 101. pontba, amelynek a neve EP1.CPN101. Az alakzat neve az Alakzat tulajdonságai paranccsal módosítható. |
|
A Pont csatlakoztatása mindig egyetlen vonalszakaszból álló alakzatot hoz létre. A következő ábrán egy példát láthat a Pont összekapcsolása parancs használatára: ![]() |
||
|
Téglalap: olyan kód, amellyel az aktuális pontba érkező szakaszt a megadott számmal tolhatja el. |
BLD1 <Téglalap>40 |
A pozitív számok jobb oldali eltolást jeleznek, a negatív számok pedig bal oldali eltolást, ami a vonalszakasz aktuális pontba való érkezésének irányához képest értendő. Ha a Téglalap kódot semmilyen szám sem követi, akkor ez a kód egy merőleges/merőleges vonalmetszetet hoz létre a pontba érkező előző szakasz és az alakzat első szakasza között, így lezárja az alakzatot. Megjegyzés:
A szám nélküli Téglalap ponthoz legalább három olyan pont szükséges, amelyet korábban helyezett el az aktuális alakzaton. |
|
A következő ábra a Téglalap kódot ábrázolja 40-es megadott értékkel: ![]() |
||
|
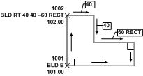
Fordulat jobbra: olyan kód, amely egy vonalszakaszkóddal együtt további merőleges töréspontok beillesztését teszi lehetővé az alakzatba, vagy túlnyúlásként (egyenes eltolás). |
BLD1 RT X10.1 5 -12.2 -5 -12.2 |
Folytatja a BLD1 aktív alakzatot az aktuális pontig, kiterjeszti az aktuális szakasz 10.1 egységeit, majd merőleges szakaszokat rajzol minden egyes értékhez. Az Eltolás értékek, a <Kiterjesztés> és a <Téglalap> kód a <Fordulat jobbra> kód után jönnek. A pozitív számok jobb oldali megtörést, a negatív számok bal oldali megtörést jeleznek. Megjegyzés:
A <Kiterjesztés><Érték> kód használatával pozitív számmal előrefelé készíthet kiterjesztést, negatív számmal pedig hátrafelé. Megjegyzés:
A <Téglalap> kód használatával fejezheti be a <Jobb-forduló> kódot, visszazárva a kiindulási szakaszhoz merőleges/merőleges vonalmetszésként az aktuális alakzat vonalszakaszából. |
|
A következő példa a Fordulat jobbra és a Téglalap kód használatát mutatja be. ![]() |
||
|
Kiterjesztés: olyan kód, amely egy vonalszakasz egyenes kiterjesztésére használható az aktuális ponton keresztül egy pozitív értékkel, vagy negatív érték használatával olyan vonalszakaszhoz, amely nem ér el az aktuális pontig. |
BLD1 X15.5 |
A BLD1 egy aktív alakzatot folytat, az X a Kiterjesztés kód, a 15.5 pedig az az érték, amellyel az alakzat vonalszakasza az aktuális ponton keresztül továbbnyúlik. |
|
A következő példa a Kiterjesztés, a Fordulat jobbra és a Téglalap kód használatát mutatja be: ![]() |
||