Aggiunta di descrittori dei connettori

Aggiunta dei valori di descrizione ai lati della spina e della presa di un connettore.

Set di strumenti di AutoCAD Electrical supporta due linee di testo di descrizione su ciascun connettore: una per il lato spina e l'altra il lato presa del connettore.

Aggiunta di descrizioni

  1. Fare clic con il pulsante destro del mouse sul connettore PJ1 e selezionare Modifica componente.
  2. Nella finestra di dialogo Inserisci/Modifica componente, all'interno della sezione Pin, fare clic su Elenco.
  3. Nella finestra di dialogo Numeri pin connettore in uso (nella griglia dei pin del connettore), fare clic nella colonna Descrizione per il pin 1.
  4. Nella sezione Descrizioni pin, immettere POWER B2 per la presa.
  5. Nella griglia dei pin del connettore, fare clic nella colonna Descrizione per il pin 2.
  6. Nella sezione Descrizioni pin, immettere POWER B3 per la presa.
  7. Nella griglia dei pin del connettore, fare clic nella colonna Descrizione per il pin 3.
  8. Nella sezione Descrizioni pin, immettere POWER B4 per la presa.
  9. Fare clic su OK.
  10. Nella finestra di dialogo Inserisci/Modifica componente, fare clic su OK.
  11. Ripetere la procedura per aggiungere la descrizione POWER IN per i pin A sui black box 2, 3 e 4.

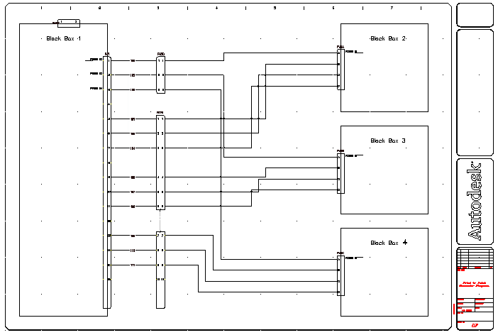
    Il diagramma punto a punto completato è simile alla seguente immagine.