Spostamento di un circuito in una nuova posizione e aggiornamenti di tutti i componenti correlati.
Quando si sposta un circuito, viene automaticamente ricontrassegnata la maggior parte dei componenti principali in esso contenuti in quanto il disegno è impostato per l'applicazione di contrassegni ai componenti in base ai riferimenti. Durante lo spostamento del circuito, viene modificata la posizione dei riferimenti dei componenti spostati. I componenti secondari correlati vengono aggiornati in modo da corrispondere ai nuovi contrassegni principali, inclusi i riferimenti presenti in altri disegni del progetto.
Spostamento della posizione di un circuito

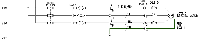
Questo circuito include contrassegni dei componenti.


. Trova
Selezionare Oggetti:
Racchiudere in un riquadro di selezione il circuito sul riferimento linea 215 per acquisire il filo e i punti di connessione che consentono il collegamento al bus verticale, quindi fare clic con il pulsante destro del mouse

Premere F9 per attivare il comando SNAP.
Specificare un punto base o uno spostamento:
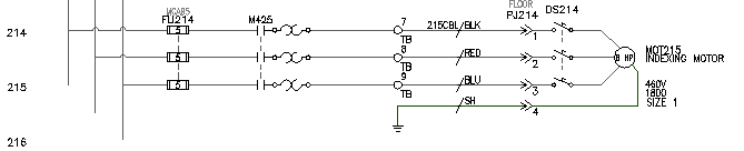
Selezionare un punto base, quindi un punto sul riferimento linea 214
La circuiteria viene spostata, i componenti interessati vengono ricontrassegnati e i riferimenti incrociati vengono aggiornati in base al nuovo riferimento linea. Ciascuno dei contrassegni componente principale elencati diminuisce di un'unità. Ad esempio, il fusibile FU215 diventa FU214.


I riferimenti secondari correlati del disegno attivo verranno aggiornati in modo da corrispondere ai componenti principali appena ricontrassegnati.
I componenti secondari correlati e i riferimenti del layout quadro vengono aggiornati negli altri disegni in modo conforme ai componenti principali del circuito spostato.


. Trova
La finestra di dialogo Naviga visualizza tre riferimenti nel foglio 2 e un riferimento nel foglio 9.
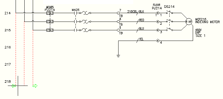
Il Navigatore passa al disegno del layout quadro ed ingrandisce la rappresentazione fisica di questo fusibile tripolare. Si noti che la rappresentazione fisica del contrassegno blocco fusibili è stata aggiornata in quanto il circuito è stato spostato.
Lo spostamento del circuito motore verso l'alto di una spaziatura di riferimento linea ha reso disponibile una quantità maggiore di spazio per l'aggiunta di un nuovo circuito al di sotto di esso. Il passaggio successivo consiste nell'estendere il bus trifase in basso al riferimento linea 218 e in alto a destra per iniziare la creazione di un nuovo circuito motore.
Estensione del bus trifase

. Trova
Fence/Intersezione/Zext/<Selezionare il filo da TAGLIARE>:
Fare clic sulle estremità inferiori dei tre fili liberi, quindi fare clic con il pulsante destro del mouse

È possibile inserire cablaggi trifase verticali o orizzontali. Il cablaggio trifase si interrompe e si riconnette automaticamente ai componenti sottostanti che incontra lungo il percorso. Se incrocia altri fili, vengono inseriti intervalli di intersezione fili.

. Trova
Spaziatura orizzontale: 0.5
Spaziatura verticale: 0.5
Inizio in: Altro bus (più fili)
Numero di fili: 3

Selezionare il filo esistente per iniziare una connessione bus multifase:
Selezionare l'angolo inferiore del bus verticale sinistro sul riferimento linea 214, come illustrato

Selezionare il filo esistente per iniziare una connessione bus multifase: a:
Portare il cursore verso il basso sul riferimento linea 218.
I grafici temporanei mostrano l'instradamento proposto del bus esteso.

Il bus trifase e i simboli dei punti di connessione dei fili vengono inseriti nel disegno.
