La creazione della maggior parte delle parti inizia con uno schizzo. Uno schizzo è costituito dal profilo di una lavorazione e da qualsiasi tipo di geometria, ad esempio una traiettoria di sweep o un asse di rotazione, necessaria per creare la lavorazione. Il primo schizzo di una parte può presentare una forma semplice.
Le lavorazioni di parti di schizzo dipendono dalla geometria dello schizzo. La prima lavorazione di una parte, la lavorazione di base, è di norma una lavorazione di schizzo. Tutta la geometria dello schizzo viene creata e modificata nell'ambiente dello schizzo mediante i comandi di schizzo sulla barra multifunzione. È possibile controllare la griglia dello schizzo e utilizzare i comandi dello schizzo per disegnare linee, spline, cerchi, ellissi, archi, rettangoli, poligoni o punti.
È possibile selezionare una faccia di una parte esistente e creare uno schizzo su di essa. Lo schizzo viene visualizzato con la griglia cartesiana definita. Per costruire una lavorazione su una superficie curva o inclinata rispetto ad una superficie, costruire innanzitutto un piano di lavoro. Quindi tracciare lo schizzo sul piano di lavoro.
Nel browser viene visualizzata l'icona della parte con le relative lavorazioni nidificate al suo interno. Le lavorazioni di superficie e le geometrie di lavoro sono nidificate o incorporate per impostazione predefinita. Per controllare la nidificazione o l'utilizzo delle lavorazioni di superficie e delle geometrie di lavoro per tutte le lavorazioni, impostare l'opzione appropriata nella scheda Parte della finestra di dialogo Opzioni applicazione. Per sostituire l'incorporazione su una base per lavorazione, fare clic con il pulsante destro del mouse nel browser, quindi selezionare Incorpora input.
Di solito, i modelli creati con queste operazioni sono lavorazioni solide o corpi nuovi che formano un volume chiuso.
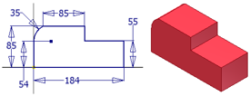
** Estrusione**
Aggiunge profondità ad un profilo di schizzo lungo una traiettoria diritta.
Può creare un corpo.

** Rivoluzione**
Proietta un profilo di schizzo intorno ad un asse.
L'asse e il profilo devono essere complanari.
Può creare un corpo.

Loft
Costruisce lavorazioni con due o più profili.
Definisce la transizione del modello da una forma a quella successiva.
Allinea i profili ad una o più traiettorie.
Può creare un corpo.

Sweep
Proietta un singolo profilo di schizzo lungo un'unica traiettoria di schizzo.
La traiettoria può essere aperta o chiusa.
Un profilo di schizzo può contenere più linee chiuse che risiedono nello stesso schizzo.
Può creare un corpo.

Elicoide
Proietta un profilo di schizzo lungo una traiettoria elicoidale.
Utilizzare Elicoide per creare molle o per modellare le filettature fisiche su una parte.
Può creare un corpo.

È possibile creare superfici con molte di queste operazioni. Le superfici possono formare un volume aperto o chiuso, ma non contenere massa. Utilizzare le superfici per definire le forme, come strumento di divisione oppure per scolpire alcuni aspetti del corpo della parte.

Le lavorazioni riportate di seguito richiedono schizzi, ma non creano una lavorazione di base poiché dipendono dalla geometria esistente.
Tali lavorazioni non creano una lavorazione di base poiché dipendono dalla geometria esistente.
Rib
Consente di creare un'estrusione nervatura o maglia di nervature da uno schizzo 2D.
Il comando Nervatura consente di creare forme di supporto a parete sottile chiuse (nervature) e forme di supporto a parete sottile aperte (maglie di nervature).

Sbalzo
Consente di creare una lavorazione in rilievo (a sbalzo) o incassata (incisa) da un profilo di schizzo.

Decalcomania
Consente di applicare un file immagine ad una faccia della parte.
Utilizzare la decalcomania per aggiungere realismo o per applicare un'etichetta.
