Generatore perni a croce

Valori consigliati:
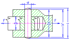
d = (0,2 -0,3) D
D 1 = (1,5 - 2) D - per acciaio e acciaio fuso
D 1 = 2,5 D - per ghisa grigia fusa
Lunghezza attiva del perno
La lunghezza attiva del perno l f è una lunghezza ridotta utilizzando cimatura e raccordi. Generalmente, la lunghezza attiva consente di trasportare carichi.
Formule
Verifica della sollecitazione a taglio

Verifica della pressione di contatto

Interpretazioni dei simboli nelle unità metriche:
| τ | Sollecitazione a taglio [MPa]. |
τ A | Sollecitazione a taglio ammissibile [MPa]. |
d | Diametro del perno [mm]. |
p 1 | pressione nell'asta di trascinamento [MPa]. |
p 2 | pressione nel manicotto [MPa]. |
p 1A | pressione ammissibile nel manicotto [MPa]. |
p 2A | pressione ammissibile nell'asta di trascinamento [MPa]. |
D | diametro dell'asta di trascinamento [mm]. |
D 1 | diametro del manicotto [mm]. |
Interpretazioni dei simboli nelle unità inglesi:
| τ | sollecitazione a taglio [psi] |
τ A | sollecitazione a taglio ammissibile [psi] |
d | diametro del perno [in] |
p 1 | pressione nell'asta di trascinamento [psi] |
p 2 | pressione nel manicotto [psi] |
p 1A | pressione ammissibile nel manicotto [psi] |
p 2A | pressione ammissibile nell'asta di trascinamento [psi] |
D | diametro dell'asta di trascinamento [in] |
D 1 | diametro del manicotto [in] |