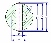
Generatore perni radiali

Valori consigliati:
d = (0,2 -0,3) D
D 1 = (1,5 - 2) D - per acciaio e acciaio fuso
D 1 = 2,5 D - per ghisa grigia fusa
Lunghezza attiva del perno
La lunghezza attiva del perno l f è una lunghezza ridotta utilizzando cimatura e raccordi. Generalmente, la lunghezza attiva consente di trasportare carichi.
Formule in unità metriche
Sollecitazione di flessione

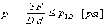
Pressione nell'asta

Pressione nel perno

Sollecitazione di taglio


dove:
| | F | forza [N] |
| | σ 0 | sollecitazione di flessione [MPa] |
| | σ 0D | Sollecitazione di flessione ammissibile [MPa] |
| | M 0 | momento flettente [N mm] |
| | W 0 | modulo sezione flettente [mm 3] |
| | τ | sollecitazione a taglio [MPa] |
| | τ D | sollecitazione a taglio ammissibile [MPa] |
| | d | diametro del perno [mm] |
| | p 1 | pressione nell'asta [MPa] |
| | p 2 | pressione nel perno [MPa] |
| | p 1D | pressione ammissibile nell'asta [MPa] |
| | p 2D | pressione ammissibile nel perno [MPa] |
| | b | larghezza asta [mm] |
| | a | larghezza braccio del perno [mm] |
| | D | diametro albero [mm] |
Formule in unità imperiali
Sollecitazione di flessione

Pressione nell'asta

Pressione nel perno

Sollecitazione di taglio


dove:
| | F | forza [lb] |
| | σ 0 | sollecitazione di flessione [psi] |
| | σ 0D | sollecitazione di flessione ammissibile [psi] |
| | M 0 | momento flettente [ln ft] |
| | W 0 | modulo sezione di flessione [in 3 ] |
| | τ | sollecitazione a taglio [psi] |
| | τ D | sollecitazione a taglio ammissibile [psi] |
| | d | diametro del perno [in] |
| | p 1 | pressione nell'asta [psi] |
| | p 2 | pressione nel perno [psi] |
| | p 1D | pressione ammissibile nell'asta [psi] |
| | p 2D | pressione ammissibile nel perno [psi] |
| | b | larghezza asta [in] |
| | a | larghezza braccio del perno [in] |
| | D | diametro albero [in] |