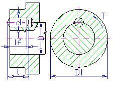
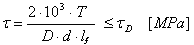
Generatore perni del giunto

Valori consigliati
d = (0,12 - 0,25) D
l = (1 -1,5) D
Lunghezza attiva del perno
La lunghezza attiva del perno l f è una lunghezza ridotta utilizzando cimatura e raccordi. Generalmente, la lunghezza attiva consente di trasportare carichi.
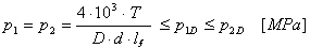
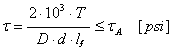
Formule in unità metriche
Momento trasferito

Verifica della sollecitazione a taglio

Verifica della pressione di contatto

dove:
| | P | potenza trasferita [kW] |
| | n | velocità [rpm] |
| | T | momento [Nm] |
| | τ | sollecitazione a taglio [MPa] |
| | τ A | sollecitazione a taglio ammissibile [MPa] |
| | d | diametro del perno [mm] |
| | p 1 | pressione nell'albero [MPa] |
| | p 2 | pressione nel mozzo [MPa] |
| | p 1A | pressione ammissibile nell'albero [MPa] |
| | p 2A | pressione ammissibile nel mozzo [MPa] |
| | D | diametro albero [mm] |
| | D 1 | diametro del mozzo [mm] |
| | l f | lunghezza attiva del perno [mm] |
Formule in unità imperiali
Momento trasferito

Verifica della sollecitazione a taglio

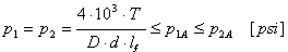
Verifica della pressione di contatto

dove:
| | P | potenza trasferita [HP] |
| | n | velocità [rpm] |
| | T | momento [lb ft] |
| | τ | sollecitazione a taglio [psi] |
| | τ A | sollecitazione a taglio ammissibile [psi] |
| | d | diametro del perno [in] |
| | p 1 | pressione nell'albero [psi] |
| | p 2 | pressione nel mozzo [psi] |
| | p 1A | pressione ammissibile nell'albero [psi] |
| | p 2A | pressione ammissibile nel mozzo [psi] |
| | D | diametro albero [in] |
| | D 1 | diametro del mozzo [in] |
| | l f | lunghezza attiva del perno [in] |