Generatore perni di fissaggio

Lunghezza attiva del perno
La lunghezza attiva del perno l f è una lunghezza ridotta utilizzando cimatura e raccordi. Generalmente, la lunghezza attiva consente di trasportare carichi.
Formule
Verifica della sollecitazione a taglio

Verifica della pressione di contatto

Interpretazioni dei simboli nelle unità metriche:
| τ | sollecitazione a taglio [MPa] |
τ A | sollecitazione a taglio ammissibile [MPa] |
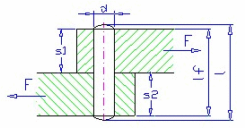
d | diametro del perno [mm] |
p 1 | pressione nella piastra superiore [MPa] |
p 2 | pressione nella piastra inferiore [MPa] |
p 1A | pressione ammissibile nella piastra superiore [MPa] |
p 2A | pressione ammissibile nella piastra inferiore [MPa] |
s 1 | spessore della piastra superiore [mm] |
s 2 | spessore della piastra inferiore [mm] |
Interpretazioni dei simboli nelle unità inglesi:
| τ | sollecitazione a taglio [psi] |
τ A | sollecitazione a taglio ammissibile [psi] |
d | diametro del perno [in] |
p 1 | pressione nella piastra superiore [psi] |
p 2 | pressione nella piastra inferiore [psi] |
p 1A | pressione ammissibile nella piastra superiore [psi] |
p 2A | pressione ammissibile nella piastra inferiore [psi] |
s 1 | spessore della piastra superiore [in] |
s 2 | spessore della piastra inferiore [in] |