アタッチされた DWG 参照(外部参照)はネストできます。つまり、別の外部参照を含む外部参照をアタッチできます。
外部参照は別の外部参照内にネストできます。つまり、別の外部参照を含む外部参照をアタッチできます。必要なだけ外部参照のコピーをアタッチして、各コピーに異なる位置、尺度、回転を指定できます。
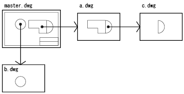
次の図では、master.dwg が a.dwg と b.dwg を参照しています。図面 a.dwg は c.dwg を参照しています。master.dwg では、c.dwg がネストされた外部参照です。

図面に外部参照をオーバーレイすることもできます。アタッチした外部参照と異なり、オーバーレイされた外部参照は、図面自体を外部参照として別の図面にアタッチしたりオーバーレイしたときに含まれません 。オーバーレイされた外部参照は、ネットワーク環境でデータを共有するために設計されています。外部参照をオーバーレイすると、外部参照をアタッチして図面を変更しなくても、図面が他のグループの図面とどのように関係しているかを調べることができます。
次の図では、複数のユーザが master.dwg の参照先の図面で作業しています。a.dwg 上で作業するユーザは、b.dwg 上で行われている作業を確認する必要はありますが、b.dwg を外部参照する必要はありません。これは、外部参照すると master.dwg に b.dwg が 2 つ表示されてしまうためです。外部参照する代わりに、b.dwg をオーバーレイします。これにより、a.dwg が master.dwg によって参照されるときに、a.dwg には b.dwg が含まれなくなります。

外部参照の保存パスとして、完全パス、相対パス(パスの一部を指定)を指定することも、パスを指定しないこともできます。ネストされた外部参照の場合は、相対パスが指定されていると、常にホスト図面の場所を直接参照し、必ずしも現在開いている図面を参照するわけではありません。