![]()
推奨値:
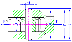
d = (0.2 -0.3) D
D 1 = (1.5 - 2) D - 鋼鉄および鋳鋼の場合
D 1 = 2.5 D - ねずみ鋳鉄の場合
有効ピン長さ
ピンの有効な長さ l f は、面取りおよびフィレットを行うことで短くなります。有効長さは通常、荷重を支えます。
[計算式]
せん断応力チェック
![]()
接触圧力チェック
![]()
記号の説明(メートル単位):
| τ | せん断応力[MPa] |
τ A | 許容せん断応力[MPa] |
d | ピン径[mm] |
p 1 | ドローロッドにおける圧力[MPa] |
p 2 | スリーブにおける圧力[MPa] |
p 1A | スリーブにおける許容圧力[MPa] |
p 2A | ドローロッドにおける許容圧力[MPa] |
D | ドローロッドの直径[mm] |
D 1 | スリーブ径[mm] |
記号の説明(英国単位):
| τ | せん断応力[psi] |
τ A | 許容せん断応力[psi] |
d | ピン径[インチ] |
p 1 | ドローロッドにおける圧力[psi] |
p 2 | スリーブにおける圧力[psi] |
p 1A | スリーブにおける許容圧力[psi] |
p 2A | ドローロッドにおける許容圧力[psi] |
D | ドローロッドの直径[インチ] |
D 1 | スリーブ径[インチ] |