ラジアル ピン ジェネレータ

推奨値:

d = (0.2 -0.3) D

D 1 = (1.5 - 2) D - 鋼鉄および鋳鋼の場合

D 1 = 2.5 D - ねずみ鋳鉄の場合

有効ピン長さ

ピンの有効な長さ l f は、面取りおよびフィレットを行うことで短くなります。有効長さは通常、荷重を支えます。

式(メートル単位)

曲げ応力

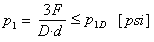
棒圧力

クレビス圧力

せん断応力

ここで

 

F

力[N]

 

σ 0

曲げ応力[MPa]

 

σ 0D

許容曲げ応力 [MPa]

 

M 0

曲げモーメント[N mm]

 

W 0

曲げ断面係数[mm 3]

   τ

せん断応力[MPa]

 

τ D

許容せん断応力[MPa]

 

d

ピン径[mm]

 

p 1

棒圧力[MPa]

 

p 2

クレビス圧力[MPa]

 

p 1D

許容棒圧力[MPa]

 

p 2D

許容クレビス圧力[MPa]

 

b

棒幅[mm]

 

a

クレビス アーム幅[mm]

 

D

軸径[mm]

式(英国単位)

曲げ応力

棒圧力

クレビス圧力

せん断応力

ここで

 

F

力[lb]

 

σ 0

曲げ応力[psi]

 

σ 0D

許容曲げ応力[psi]

 

M 0

曲げモーメント[ln ft]

 

W 0

曲げ断面係数[in 3]

   τ

せん断応力[psi]

 

τ D

許容せん断応力[psi]

 

d

ピン径[インチ]

 

p 1

棒圧力[psi]

 

p 2

クレビス圧力[psi]

 

p 1D

許容棒圧力[psi]

 

p 2D

許容クレビス圧力[psi]

 

b

棒幅[インチ]

 

a

クレビス アーム幅[インチ]

 

D

軸径[インチ]