
推奨値
d = (0.12 - 0.25) D
l = (1 - 1.5) D
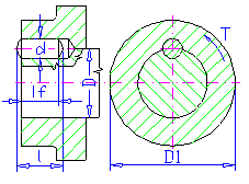
有効ピン長さ
ピンの有効な長さ l f は、面取りおよびフィレットを行うことで短くなります。有効長さは通常、荷重を支えます。
式(メートル単位)
伝達トルク
![]()
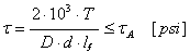
せん断応力チェック
![]()
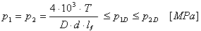
接触圧力チェック
![]()
ここで
P | 伝達動力 [kW] | |
n | 速度 [rpm] | |
T | トルク[Nm] | |
| τ | せん断応力[MPa] | |
τ A | 許容せん断応力[MPa] | |
d | ピン径[mm] | |
p 1 | 軸における圧力[MPa] | |
p 2 | ハブにおける圧力[MPa] | |
p 1A | 軸における許容圧力[MPa] | |
p 2A | ハブにおける許容圧力[MPa] | |
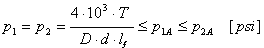
D | 軸径[mm] | |
D 1 | ハブ径[mm] | |
l f | 有効ピン長さ[mm] |
式(英国単位)
伝達トルク
![]()
せん断応力チェック
![]()
接触圧力チェック
![]()
ここで
P | 伝達動力[HP] | |
n | 速度 [rpm] | |
T | トルク[lb ft] | |
| τ | せん断応力[psi] | |
τ A | 許容せん断応力[psi] | |
d | ピン径[インチ] | |
p 1 | 軸における圧力[psi] | |
p 2 | ハブにおける圧力[psi] | |
p 1A | 軸における許容圧力[psi] | |
p 2A | ハブにおける許容圧力[psi] | |
D | 軸径[インチ] | |
D 1 | ハブ径[インチ] | |
l f | 有効ピン長さ[インチ] |