![]()
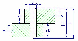
有効ピン長さ
ピンの有効な長さ l f は、面取りおよびフィレットを行うことで短くなります。有効長さは通常、荷重を支えます。
[計算式]
せん断応力チェック
![]()
接触圧力チェック
![]()
記号の説明(メートル単位):
| τ | せん断応力[MPa] |
τ A | 許容せん断応力[MPa] |
d | ピン径[mm] |
p 1 | 上盤における圧力[MPa] |
p 2 | 下盤における圧力[MPa] |
p 1A | 上盤における許容圧力[MPa] |
p 2A | 下盤における許容圧力[MPa] |
s 1 | 上盤の厚さ[mm] |
s 2 | 下盤の厚さ[mm] |
記号の説明(英国単位):
| τ | せん断応力[psi] |
τ A | 許容せん断応力[psi] |
d | ピン径[インチ] |
p 1 | 上盤における圧力[psi] |
p 2 | 下盤における圧力[psi] |
p 1A | 上盤における許容圧力[psi] |
p 2A | 下盤における許容圧力[psi] |
s 1 | 上盤の厚さ[インチ] |
s 2 | 下盤の厚さ[インチ] |