이 횡단구성요소는 기존 도로의 한 측면을 중첩하고 연석 반환 주위를 돌아가는 모서리에 주행 차선을 하나 이상 추가하는 데 사용합니다.
이 횡단구성요소는 기존 또는 제안된 연석 플랜지점에서 내부로 확장된다는 점을 제외하고 경사 중첩, 넓힘 및 일치1 횡단구성요소와 비슷합니다.

부착점은 확장 차선 횡단의 외부 모서리에 있습니다. 일반적으로 이 횡단구성요소는 기존 또는 제안된 연석 및 측수로의 플랜지나 연석 반환 주위의 포장 외부 모서리에서 안쪽 방향으로 삽입됩니다.
주석: 모든 치수는 다른 설명이 없는 한 미터 또는 피트 단위로 되어 있습니다. 모든 경사는 “%” 기호와 함께 퍼센트 경사로 표시되지 않는 한 종횡비 양식(예: 4 : 1)입니다.
|
매개변수 |
설명 |
유형 |
기본값 |
|---|---|---|---|
|
측면 |
이 횡단구성요소를 추가할 부착점 측면을 지정합니다. |
부울 |
왼쪽/오른쪽 |
|
확장 폭 |
확장 차선의 폭입니다. |
숫자, 양수 |
3.6m 12.0ft |
|
중첩 폭 |
포장 중첩의 폭입니다. |
숫자, 양수 |
3.6m 12.0ft |
|
경사 |
중첩 및 확장 경사입니다. |
숫자 |
- 2% |
|
표층1 깊이 |
차선 확장을 위한 표층1 도면층의 두께이며 값이 0일 경우 생략됩니다. |
숫자, 양수 |
0.025m 0.083ft |
|
표층2 깊이 |
차선 확장을 위한 표층2 도면층의 두께이며 값이 0일 경우 생략됩니다. |
숫자, 양수 |
0.025m 0.083ft |
|
기층 깊이 |
차선 확장을 위한 기층의 두께입니다. |
숫자, 양수 |
0.100m 0.333ft |
|
보조기층 깊이 |
차선 확장을 위한 보조기층의 두께입니다. |
숫자, 양수 |
0.300m 1.0ft |
이 섹션에서는 도면의 지표면, 선형 또는 종단 객체와 같은 하나 이상의 대상 객체에 매핑할 수 있는 이 횡단구성요소의 매개변수를 나열합니다. 자세한 내용은 코리더 대상을 지정하려면을 참고하십시오.
|
매개변수 |
설명 |
상태 |
|---|---|---|
|
기존 지표면 |
기존 도로를 정의하는 지표면의 이름입니다. 이 지표면을 지정하기 위한 대상으로 지표면 객체 유형을 사용할 수 있습니다. |
필수 |
|
확장 간격띄우기 |
고정 확장 폭을 재지정하고 확장의 내부 모서리를 선형에 연결하는 데 사용할 수 있습니다. 이 간격띄우기를 지정하기 위한 대상으로 선형, 폴리선, 형상선 또는 측량 수치 객체 유형을 사용할 수 있습니다. |
선택 사항 |
|
간격띄우기 중첩 |
중첩 폭을 재지정하고 중첩의 내부 모서리를 선형에 연결하는 데 사용할 수 있습니다. 이 간격띄우기를 지정하기 위한 대상으로 선형, 폴리선, 형상선 또는 측량 수치 객체 유형을 사용할 수 있습니다. |
선택 사항 |
|
중첩 종단 |
경사를 재지정하고 중첩의 내부 모서리 표고를 종단에 연결하여 계산된 경사를 생성하는 데 사용할 수 있습니다. 이 표고를 지정하기 위한 대상으로 종단, 3D 폴리선, 형상선 또는 측량 수치 객체 유형을 사용할 수 있습니다. |
선택 사항 |
|
매개변수 |
설명 |
유형 |
|---|---|---|
|
경사(%) |
단면 검토 점에서 삽입점까지 기존 지표면에서 계산된 경사입니다. |
숫자 |
부착점은 확장 외부 모서리의 간격띄우기와 표고를 결정합니다. 확장 내부 모서리와 중첩 내부 모서리의 위치는 지정된 폭과 경사를 사용하여 결정됩니다. 선형을 사용하여 지정된 숫자 폭을 재지정할 수 있습니다. 중첩 종단을 제공할 경우 중첩 내부 모서리의 종단 표고와 부착점 사이의 경사가 계산됩니다.
다음 그림에서는 중첩 간격띄우기 종단이 있는 경우를 보여 줍니다. (중첩 종단을 제공할 경우 중첩 내부 모서리의 종단 표고와 부착점 사이의 경사가 계산됩니다.)

다음 그림에서는 중첩 간격띄우기 종단이 없는 경우를 보여 줍니다.

이 횡단구성요소의 왼쪽에서 오른쪽 경사는 같습니다. 또한 모든 지표면에 같은 경사가 적용됩니다.
마지막으로 중첩 종단이 부착된 경우 (a) "중첩 간격띄우기"에서 대상(EG) 지표면까지, (b) 중첩 끝 및 확장 시작에서 대상(EG) 지표면까지의 수직 링크를 추가하고 (c) (추적) 대상(EG) 지표면 링크를 따라 두 점 사이의 링크를 추가해야 합니다.
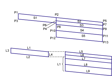
이 쉐이프로 형성된 영역은 아래 코딩 다이어그램의 "중첩"(S1)으로 코드화됩니다.
중첩은 중첩 맨 위와 지반선 사이의 영역으로, 깊이가 균일하지 않을 수 있습니다.
배치 모드에서 이 횡단구성요소는 편리한 임의의 점에 부착됩니다. 횡단구성요소는 지정된 폭과 경사로 표시됩니다. 모델링 모드에서 쉐이프는 기존 지표면과 실행 시 논리 선형 및 종단으로 정의된 실제 조건에 맞게 조정됩니다.
다음 테이블에는 이 횡단구성요소에 대해 코드가 지정된 점, 링크 및 쉐이프 코드가 나열되어 있습니다. 이 횡단구성요소에 대해 코드가 지정되지 않은 점, 링크 및 쉐이프 코드는 이 테이블에 포함되어 있지 않습니다.
| 점, 링크 또는 쉐이프 | 코드 | 설명 |
|---|---|---|
| P5 | ETW | 정지 계획선의 확장 차선 외부 모서리입니다. |
| P7 | ETW_Pave1 | 표층1의 확장 차선 외부 모서리입니다. |
| P9 | ETW_Pave2 | 표층2의 확장 차선 외부 모서리입니다. |
| P11 | ETW_Base | 기층에 있는 확장 차선의 외부 모서리입니다. |
| P13 | ETW_Sub | 보조기층에 있는 확장 차선의 외부 모서리입니다. |
| L1, L5 | Top, Pave | 정지 계획선 지표면입니다. |
| L2 | Overlay | 기존 지표면의 링크 위에 겹쳐진 상태입니다. 점 P3과 P4 사이에 두 개 이상의 링크가 있을 수 있습니다. |
| L6 | Pave1 | |
| L7 | Pave2 | |
| L8 | Base | |
| L9 | SubBase, Datum | |
| L10 | Datum | |
| S1 | Overlay | 중첩 및 기존 차선 사이의 영역입니다. |
| S2 | Pave1 | |
| S3 | Pave2 | |
| S4 | Base | |
| S5 | SubBase |
