ChannelDrain

ChannelDrain 횡단구성요소는 점과 링크를 삽입하여 주행로를 따라 물을 모을 채널 배수를 작성합니다.

부착

부착점은 채널 배수 내부 모서리에 있습니다. 이 구성요소는 왼쪽 또는 오른쪽 측면에 부착될 수 있습니다.

입력 매개변수

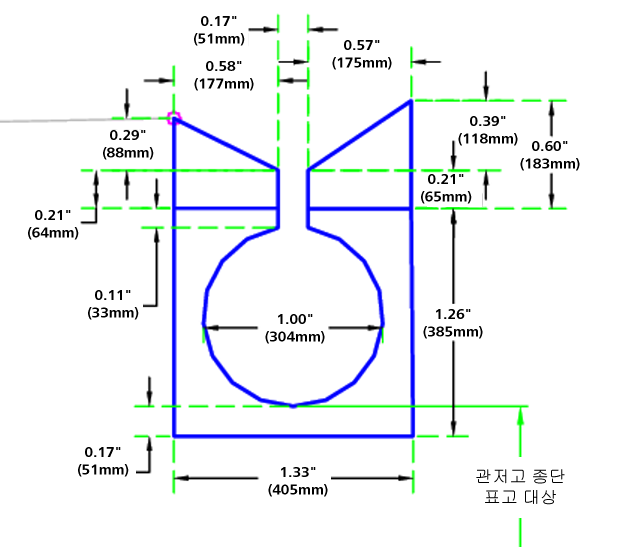
주: 모든 치수는 다른 설명이 없는 한 미터 또는 피트 단위로 되어 있습니다. 모든 경사는 “%” 기호와 함께 퍼센트 경사로 표시되지 않는 한 종횡비 양식(예: 4 : 1)입니다.

매개변수

설명

유형

기본값

측면 횡단구성요소를 배치할 측면을 지정합니다. 왼쪽/오른쪽 오른쪽

대상 매개변수

이 섹션에서는 하나 이상의 대상 객체에 매핑할 수 있는 이 횡단구성요소의 매개변수를 나열합니다. 자세한 내용은 코리더 대상을 지정하려면을 참고하십시오.

매개변수

설명

상태

Elevation 파이프 관저고를 재지정하는 데 사용할 수 있습니다. 표고를 지정하기 위한 대상으로 종단, 3D 폴리선, 형상선 또는 측량 수치 객체 유형을 사용할 수 있습니다. 선택 사항

실행 시 논리 지정

없음.

출력 매개변수

없음.

동작

초기점이 부착점에 설정되어 있습니다. 그러면 횡단구성요소 내에 저장된 값을 기반으로 점 및 링크가 작성됩니다.

배치 모드 작업

배치 모드에서 이 횡단구성요소는 횡단구성요소를 그립니다.

점, 링크 및 쉐이프 코드

다음 테이블에는 이 횡단구성요소에 대해 코드가 지정된 점, 링크 및 쉐이프 코드가 나열되어 있습니다. 이 횡단구성요소에 대해 코드가 지정되지 않은 점, 링크 및 쉐이프 코드는 이 테이블에 포함되어 있지 않습니다.

점, 링크 또는 쉐이프

코드

설명

P1-P4, P9, P10 Concrete 콘크리트 유입구 모서리
P5, P8 ConcBottom 맨 아래 콘크리트 모서리
P6, P7 슬러리 슬러리
P11-P13 파이프 파이프 점
L1, L2 Concrete, Top 콘크리트의 맨 위
L3, L7, L10, L11 Concrete 콘크리트 유입구
L5 슬러리 파이프 슬러리
L12-L14 파이프 파이프 링크
S1, S2 Concrete 유입구 콘크리트
S3 슬러리 파이프 주위의 슬러리

코딩 다이어그램