![]()
권장 값:
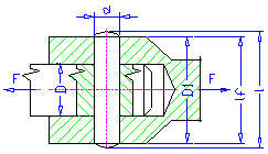
d = (0.2 -0.3) D
D 1 = (1.5 - 2) D - 강과 주강의 경우
D 1 = 2.5 D - 회주철의 경우
활성 핀 길이
핀 활성 길이 l f는 모따기 및 모깎기에 의해 줄어든 길이입니다. 활성 길이는 일반적으로 하중을 수반합니다.
수식
전단 응력 검사
![]()
접촉 압력 검사
![]()
미터법 단위의 기호 해석:
| τ | 전단 응력 [MPa] |
τ A | 허용 전단 응력 [MPa] |
d | 핀 지름 [mm] |
p 1 | 인발 봉 내의 압력 [MPa] |
p 2 | 슬리브 내의 압력 [MPa] |
p 1A | 슬리브 내의 허용 압력 [MPa] |
p 2A | 인발 봉 내의 허용 압력 [MPa] |
D | 인발 봉 지름 [mm] |
D 1 | 슬리브 지름 [mm] |
영국식 단위의 기호 해석:
| τ | 전단 응력 [psi] |
τ A | 허용 전단 응력 [psi] |
d | 핀 지름 [in] |
p 1 | 인발 봉 내의 압력 [psi] |
p 2 | 슬리브 내의 압력 [psi] |
p 1A | 슬리브 내의 허용 압력 [psi] |
p 2A | 인발 봉 내의 허용 압력 [psi] |
D | 인발 봉 지름 [in] |
D 1 | 슬리브 지름 [in] |