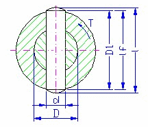
레이디얼 핀 생성기

권장 값:
d = (0.2 -0.3) D
D 1 = (1.5 - 2) D - 강과 주강의 경우
D 1 = 2.5 D - 회주철의 경우
활성 핀 길이
핀 활성 길이 l f는 모따기 및 모깎기에 의해 줄어든 길이입니다. 활성 길이는 일반적으로 하중을 수반합니다.
미터법 단위 공식
굽힘 응력

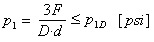
로드의 압력

클레비스의 압력

전단 응력


설명:
| | F | 힘 [N] |
| | σ 0 | 굽힘 응력 [MPa] |
| | σ 0D | 허용 굽힘 응력 [MPa] |
| | M 0 | 굽힘 모멘트 [N mm] |
| | W 0 | 굽힘 단면 계수[mm3] |
| | τ | 전단 응력 [MPa] |
| | τ D | 허용 전단 응력 [MPa] |
| | d | 핀 지름 [mm] |
| | p 1 | 로드의 압력 [MPa] |
| | p 2 | 클레비스의 압력 [MPa] |
| | p 1D | 로드의 허용 압력 [MPa] |
| | p 2D | 클레비스의 허용 압력 [MPa] |
| | b | 로드 폭 [mm] |
| | a | 클레비스 암 폭 [mm] |
| | D | 샤프트 지름 [mm] |
영국식 단위 공식
굽힘 응력

로드의 압력

클레비스의 압력

전단 응력


설명:
| | F | 힘 [lb] |
| | σ 0 | 굽힘 응력 [psi] |
| | σ 0D | 허용 굽힘 응력 [psi] |
| | M 0 | 굽힘 모멘트 [ln ft] |
| | W 0 | 굽힘 단면 계수[in3] |
| | τ | 전단 응력 [psi] |
| | τ D | 허용 전단 응력 [psi] |
| | d | 핀 지름 [in] |
| | p 1 | 로드의 압력 [psi] |
| | p 2 | 클레비스의 압력 [psi] |
| | p 1D | 로드의 허용 압력 [psi] |
| | p 2D | 클레비스의 허용 압력 [psi] |
| | b | 로드 폭 [in] |
| | a | 클레비스 암 폭 [in] |
| | D | 샤프트 지름 [in] |