
권장값
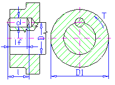
d = (0.12 - 0.25) D
l = (1 - 1.5) D
활성 핀 길이
핀 활성 길이 l f는 모따기 및 모깎기에 의해 줄어든 길이입니다. 활성 길이는 일반적으로 하중을 수반합니다.
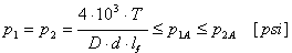
미터법 단위 공식
전달된 토크
![]()
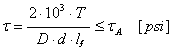
전단 응력 검사
![]()
접촉 압력 검사
![]()
설명:
P | 전달된 동력 [kW] | |
n | 속도 [rpm] | |
T | 토크 [Nm] | |
| τ | 전단 응력 [MPa] | |
τ A | 허용 전단 응력 [MPa] | |
d | 핀 지름 [mm] | |
p 1 | 샤프트 내의 압력 [MPa] | |
p 2 | 허브 내의 압력 [MPa] | |
p 1A | 샤프트 내의 허용 압력 [MPa] | |
p 2A | 허브 내의 허용 압력 [MPa] | |
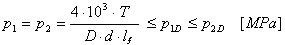
D | 샤프트 지름 [mm] | |
D 1 | 허브 지름 [mm] | |
l f | 활성 핀 길이 [mm] |
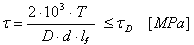
영국식 단위 공식
전달된 토크
![]()
전단 응력 검사
![]()
접촉 압력 검사
![]()
설명: