![]()
활성 핀 길이
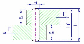
핀 활성 길이 l f는 모따기 및 모깎기에 의해 줄어든 길이입니다. 활성 길이는 일반적으로 하중을 수반합니다.
수식
전단 응력 검사
![]()
접촉 압력 검사
![]()
미터법 단위의 기호 해석:
| τ | 전단 응력 [MPa] |
τ A | 허용 전단 응력 [MPa] |
d | 핀 지름 [mm] |
p 1 | 상단 보드의 압력 [MPa] |
p 2 | 하단 보드의 압력 [MPa] |
p 1A | 상단 보드의 허용 압력 [MPa] |
p 2A | 하단 보드의 허용 압력 [MPa] |
s 1 | 상단 보드의 두께 [mm] |
s 2 | 하단 보드의 두께 [mm] |
영국식 단위의 기호 해석:
| τ | 전단 응력 [psi] |
τ A | 허용 전단 응력 [psi] |
d | 핀 지름 [in] |
p 1 | 상단 보드의 압력 [psi] |
p 2 | 하단 보드의 압력 [psi] |
p 1A | 상단 보드의 허용 압력 [psi] |
p 2A | 하단 보드의 허용 압력 [psi] |
s 1 | 상단 보드의 두께 [in] |
s 2 | 하단 보드의 두께 [in] |