순환수 시스템 크기 조정 예
다음 이미지는 다양한 순환수 파이프 크기 조정 방법의 결과를 나타냅니다.
마찰만
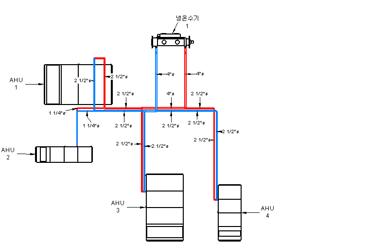
크기 조정 전
크기 조정 후
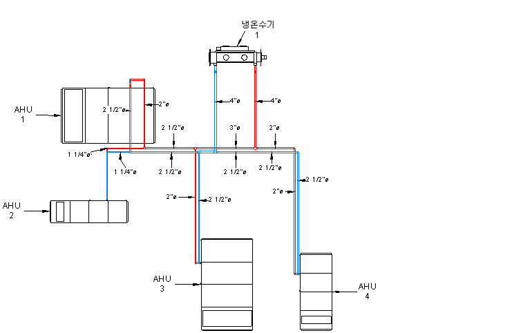
속도만
크기 조정 전
크기 조정 후
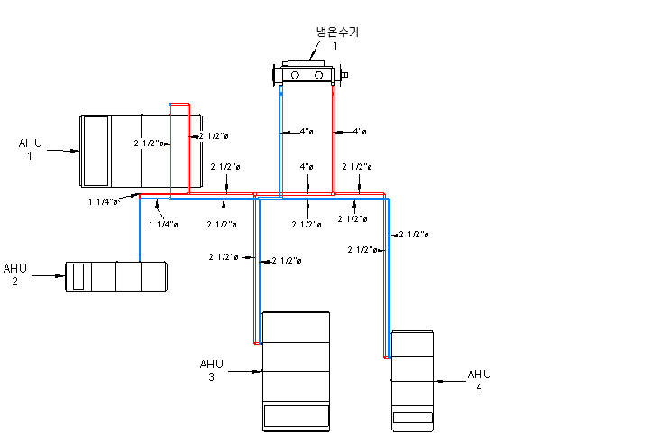
마찰과 속도
크기 조정 전
크기 조정 후
커넥터 또는 계산 중 큰 값
크기 조정 전
크기 조정 후
커넥터를 파이프 크기에 일치
크기 조정 전
크기 조정 후
상위 주제:
파이프 크기 조정 예
관련 개념
배관 시스템 특성
파이프 인스턴스(instance) 특성
파이프 크기 조정 방법
압력 강하 계산 정보