Tworzenie części zazwyczaj zaczyna się od szkicu. Szkic jest profilem elementu, jak również dowolnej geometrii (na przykład ścieżki skosu lub osi obrotu) niezbędnej do utworzenia elementu. Pierwszy szkic części może być prostym kształtem.
Elementy szkicowe części zależne są od geometrii szkicu. Pierwszy element części, czyli element bazowy, zazwyczaj jest elementem szkicowym. Geometria szkicu tworzona jest i edytowana w środowisku szkicu za pomocą poleceń szkicu znajdujących się na wstążce. Można kontrolować linie siatki szkicu, jak również użyć poleceń szkicu aby narysować linie, splajny, okręgi, elipsy, łuki, prostokąty, wieloboki lub punkty.
Można wybrać powierzchnię znajdującą się na istniejącej części i rozpocząć na niej szkicowanie. Szkic wyświetlany jest ze zdefiniowaną siatką kartezjańską. Chcąc zbudować element na powierzchni zakrzywionej lub pod kątem do powierzchni, należy najpierw zbudować płaszczyznę roboczą. Następnie należy wykonać szkic na płaszczyźnie roboczej.
Przeglądarka wyświetla ikonę części, pod którą znajdują się jej elementy. Elementy powierzchni i elementy robocze są zagnieżdżone lub domyślnie użyte. Aby kontrolować zagnieżdżenie lub użycie powierzchni i elementów roboczych, należy ustawić opcję na karcie Część w oknie dialogowym Opcje aplikacji. Aby nadpisać użycie dla poszczególnych elementów, należy kliknąć element w przeglądarce prawym przyciskiem myszy, a następnie wybrać polecenie Użyj dane wejściowe.
Modele utworzone w wyniku tych operacji są typowymi elementami bryłowymi lub nowymi bryłami o zamkniętej objętości.
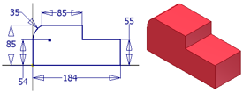
** Wyciągnięcie proste**
Należy dodać głębokość do profilu szkicu wzdłuż prostej ścieżki.
Można utworzyć bryłę.

** Obrót**
Rzutuje profil szkicu wokół osi.
Profil i oś muszą być współpłaszczyznowe.
Można utworzyć bryłę.

Wyciągnięcie złożone
Tworzy elementy zawierające dwa lub więcej profili.
Przekształca model z jednego kształtu w następny.
Dopasowuje profile do jednej lub więcej ścieżek.
Można utworzyć bryłę.

Przeciągnięcie
Rzutuje pojedynczy profil szkicu wzdłuż pojedynczej ścieżki szkicowej.
Ścieżka może być otwarta lub zamknięta.
Profil szkicu może zawierać wiele pętli, które umieszczone są w tym samym szkicu.
Można utworzyć bryłę.

Zwój
Rzutuje profil szkicu wzdłuż spiralnej ścieżki.
Zwoju należy użyć do utworzenia sprężyny lub modelowania fizycznych gwintów na części.
Można utworzyć bryłę.

Można tworzyć powierzchnie dzięki wielu takim operacjom. Powierzchnie mogą tworzyć otwarte lub zamknięte objętości ale nie zawierać masy. Powierzchnie używane są do określania kształtów, jako narzędzie podziału lub do rzeźbienia odpowiednich aspektów bryły części.

Następujące elementy wymagają szkicu, ale nie tworzą elementu bazowego, ponieważ są zależne od istniejącej geometrii.
Te elementy nie tworzą elementu bazowego, ponieważ są zależne od istniejącej geometrii.
Żebro
Tworzy żebrowe lub środnikowe wyciągnięcie ze szkicu 2D.
Należy użyć żebra, aby utworzyć zamknięte kształty wsporcze o cienkich ścianach (żebra) oraz otwarte kształty wsporcze o cienkich ścianach.

Wypukłość
Tworzy element wzniesiony (wypukłość) lub wklęsły (wklęsłość) z profilu szkicu.

Pokrycie bitmapą
Stosuje plik obrazu na płaszczyźnie części.
Należy użyć obszaru pokrytego mapą bitową, aby dodać realizmu lub zastosować etykietę.
