Kreator sworznia poprzecznego

Zalecane wartości:
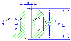
d = (0.2 -0.3) D
D 1 = (1,5 - 2) D — dla stali i staliwa
D 1 = 2,5 D — dla żeliwa szarego
Aktywna długość sworznia
Aktywna długość sworznia 1 f jest długością zredukowaną o fazowanie i zaokrąglenie. Długość aktywna zazwyczaj przenosi obciążenia.
Formuły
Kontrola naprężenia ścinającego

Kontrola nacisku dla kontaktu

Interpretacja symboli w jednostkach metrycznych:
| τ | naprężenie ścinające [MPa]. |
τ A | dopuszczalne naprężenie ścinające [MPa]. |
d | średnica sworznia [mm]. |
p 1 | ciśnienie w cięgnie [MPa]. |
p 2 | ciśnienie w tulei [MPa]. |
p 1A | dopuszczalne ciśnienie w tulei [MPa]. |
p 2A | dopuszczalne ciśnienie w cięgnie [MPa]. |
D | średnica cięgna [mm]. |
D 1 | średnica tulei [mm]. |
Interpretacje symboli w jednostkach angielskich:
| τ | naprężenie ścinające [psi] |
τ A | dopuszczalne naprężenie ścinające [psi] |
d | średnica sworznia [cal] |
p 1 | nacisk w cięgnie [psi] |
p 2 | nacisk w tulei [psi] |
p 1A | dopuszczalny nacisk w tulei [psi] |
p 2A | dopuszczalny nacisk w cięgnie [psi] |
D | średnica cięgna [cal] |
D 1 | średnica tulei [cal] |