Kreator sworznia osiowego

Zalecane wartości:
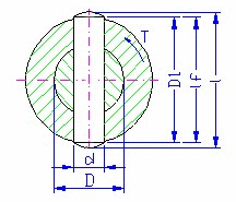
d = (0.2 - 0.3) D
D 1 = (1,5 - 2) D — dla stali i staliwa
D 1 = 2,5 D — dla żeliwa szarego
Aktywna długość sworznia
Aktywna długość sworznia 1 f jest długością zredukowaną o fazowanie i zaokrąglenie. Długość aktywna zazwyczaj przenosi obciążenia.
Wzory w jednostkach metrycznych
Naprężenie zginające

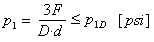
Nacisk w cięgle

Nacisk w sworzniu

Naprężenie ścinające


gdzie:
| | F | siła [N] |
| | σ 0 | naprężenie zginające [MPa] |
| | σ 0D | dopuszczalne naprężenie zginające [MPa] |
| | M 0 | moment zginający [N mm] |
| | W 0 | moduł przekroju zgięcia [mm 3 ] |
| | τ | naprężenie ścinające [MPa] |
| | τ D | dopuszczalne naprężenie ścinające [MPa] |
| | d | średnica sworznia [mm] |
| | p 1 | nacisk w cięgle [MPa] |
| | p 2 | nacisk w sworzniu [MPa] |
| | p 1D | dopuszczalny nacisk w cięgle [MPa] |
| | p 2D | dopuszczalny nacisk w sworzniu [MPa] |
| | b | szerokość cięgła [mm] |
| | a | szerokość ramienia sworznia [mm] |
| | D | średnica wału [mm] |
Wzory w jednostkach angielskich
Naprężenie zginające

Nacisk w cięgle

Nacisk w sworzniu

Naprężenie ścinające


gdzie:
| | F | siła [funt] |
| | σ 0 | naprężenie zginające [psi] |
| | σ 0D | dopuszczalne naprężenie zginające [psi] |
| | M 0 | moment zginający [funt stopa] |
| | W 0 | moduł przekroju zgięcia [in 3 ] |
| | τ | naprężenie ścinające [psi] |
| | τ D | dopuszczalne naprężenie ścinające [psi] |
| | d | średnica sworznia [cal] |
| | p 1 | nacisk w cięgle [psi] |
| | p 2 | nacisk w sworzniu [psi] |
| | p 1D | dopuszczalny nacisk w cięgle [psi] |
| | p 2D | dopuszczalny nacisk w sworzniu [psi] |
| | b | szerokość cięgła [cal] |
| | a | szerokość ramienia sworznia [cal] |
| | D | średnica wału [cal] |