Kreator sworznia łączącego

Zalecane wartości
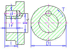
d = (0,12 -0,25) D
l = (1 - 1,5) D
Aktywna długość sworznia
Aktywna długość sworznia 1 f jest długością zredukowaną o fazowanie i zaokrąglenie. Długość aktywna zazwyczaj przenosi obciążenia.
Wzory w jednostkach metrycznych
Przenoszony moment obrotowy

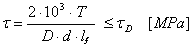
Kontrola naprężenia ścinającego

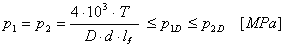
Kontrola nacisku dla kontaktu

gdzie:
| | P | przenoszona moc [kW] |
| | n | prędkość [rpm] |
| | T | moment obrotowy [Nm] |
| | τ | naprężenie ścinające [MPa] |
| | τ A | dopuszczalne naprężenie ścinające [MPa] |
| | d | średnica sworznia [mm] |
| | p 1 | nacisk w wale [MPa] |
| | p 2 | nacisk w piaście [MPa] |
| | p 1A | dopuszczalny nacisk w wale [MPa] |
| | p 2A | dopuszczalny nacisk w piaście [MPa] |
| | D | średnica wału [mm] |
| | D 1 | średnica piasty [mm] |
| | l f | długość aktywnego sworznia [mm] |
Wzory w jednostkach angielskich
Przenoszony moment obrotowy

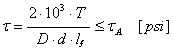
Kontrola naprężenia ścinającego

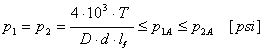
Kontrola nacisku dla kontaktu

gdzie:
| | P | przenoszona moc [HP] |
| | n | prędkość [rpm] |
| | T | moment obrotowy [funt stopa] |
| | τ | naprężenie ścinające [psi] |
| | τ A | dopuszczalne naprężenie ścinające [psi] |
| | d | średnica sworznia [cal] |
| | p 1 | nacisk w wale [psi] |
| | p 2 | nacisk w piaście [psi] |
| | p 1A | dopuszczalny nacisk w wale [psi] |
| | p 2A | dopuszczalny nacisk w piaście [psi] |
| | D | średnica wału [cal] |
| | D 1 | średnica piasty [cal] |
| | l f | długość aktywnego sworznia [cal] |