Kreator sworznia zabezpieczającego

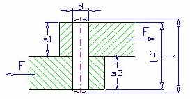
Aktywna długość sworznia
Aktywna długość sworznia 1 f jest długością zredukowaną o fazowanie i zaokrąglenie. Długość aktywna zazwyczaj przenosi obciążenia.
Formuły
Kontrola naprężenia ścinającego

Kontrola nacisku dla kontaktu

Interpretacja symboli w jednostkach metrycznych:
| τ | naprężenie ścinające [MPa] |
τ A | dopuszczalne naprężenie ścinające [MPa] |
d | średnica sworznia [mm] |
p 1 | nacisk na płytę górną [MPa] |
p 2 | nacisk na płytę dolnej [MPa] |
p 1A | dopuszczalny nacisk na płytę górną [MPa] |
p 2A | dopuszczalny nacisk na płytę dolną [MPa] |
s 1 | grubość płyty górnej [mm] |
s 2 | grubość płyty dolnej [mm] |
Interpretacje symboli w jednostkach angielskich:
| τ | naprężenie ścinające [psi] |
τ A | dopuszczalne naprężenie ścinające [psi] |
d | średnica sworznia [cal] |
p 1 | nacisk na płytę górną [psi] |
p 2 | nacisk w płycie dolnej [psi] |
p 1A | dopuszczalny nacisk w płycie górnej [psi] |
p 2A | dopuszczalny nacisk w płycie dolnej [psi] |
s 1 | grubość płyty górnej [cal] |
s 2 | grubość płyty dolnej [cal] |