Po otwarciu okna Generuj układ na karcie Generuj układ i na pasku opcji wprowadź następujące narzędzia umożliwiające tworzenie układu w systemie.
Można łączyć linie układu przez wybranie linii układu, które mają być połączone, a następnie przez przeciągnięcie elementu sterowania Kolano/Zakończenie, aż element sterowania zostanie przyciągnięty do przyległej linii układu. Zmieniony układ linii jest automatycznie usuwany i dodawane są dodatkowe linie układu w celu reprezentowania fizycznego połączenia z komponentem skojarzonym ze zmienioną linią układu. Wszystkie komponenty, które są skojarzone ze zmodyfikowanymi liniami układu zachowują swoje oryginalne położenie. Łączenie linii układu umożliwia ponowne zdefiniowanie układu, tak aby był zgodny z wymaganiami projektu.
Dla bieżącego (zmodyfikowanego) układu zapamiętywane jest jedno niestandardowe rozwiązanie. Jeśli w późniejszym czasie zostanie użyta opcja Zmień, aby wybrać inne rozwiązanie, wyświetlony zostanie komunikat z pytaniem, czy nadpisać poprzednie rozwiązanie.
Aby zmodyfikować układ, kliknij przycisk
(Zmień) i wybierz linię układu, który chcesz przenieść lub połączyć. Następnie można użyć następujących elementów sterowania:
Sterowanie ruchem równoległym: umożliwia przeniesienie całej linii układu wzdłuż osi prostopadłej do linii układu. Dodatkowe linie są dodawane automatycznie, jeśli zachodzi taka potrzeba, aby zachować połączenia w systemie. Należy pamiętać, że nie można użyć tego elementu sterowania do nałożenia segmentów układu. Należy użyć elementu sterowania Kolano/Zakończenie.
Elementy sterowania połączenia:
— Trójnik.
— Czwórnik. Za pomocą tych elementów sterowania można przenieść połączenie trójnika lub czwórnika między segmentem głównym i rozgałęzieniem, w lewo lub w prawo, w górę lub w dół. Ruch jest ograniczony przez zakończenie skojarzone z symbolem elementu sterowania połączenia (zobacz uwagę powyżej).
Elementy sterowania Kolano/Zakończenie: umożliwia przesunięcie punktu przecięcia między dwoma liniami układu lub końcem linii układu. Ten element sterowania umożliwia również łączenie linii układu. Dodatkowe linie układu są dodawane automatycznie, jeśli zachodzi taka potrzeba, aby zachować połączenia w systemie.
Element sterowania rzędnej: wskazuje bieżącą rzędną linii. Kliknij element sterowania rzędnej i wprowadź wartość, aby dostosować rzędną.
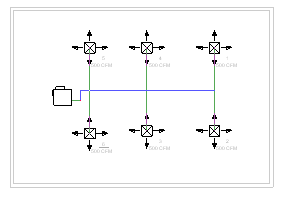
Sieć: tworzona jest ramka ograniczająca wokół wybranych komponentów systemu kanałów. Następnie udostępnianych jest sześć rozwiązań na głównym segmencie wzdłuż linii środkowej ramki ograniczającej z rozgałęzieniami pod kątem 90 stopni od głównego segmentu.

Obwód: tworzona jest ramka ograniczająca wokół wybranych komponentów systemu i sugerowanych pięć możliwych rozwiązań przebiegu. Cztery rozwiązania są oparte na 3 z 4 boków ramki ograniczającej. Piąte rozwiązanie oparte jest na wszystkich czterech bokach.

Można określić wartość ramki, która określa odstęp między ramką ograniczającą i komponentami.
Punkty przecięcia: możliwe przebiegi układane są na parze pozornych linii wychodzące z każdego złącza dla komponentów w systemie. Linie prostopadłe rozciągają się od złączy. W miejscach, gdzie linie przecinają się z komponentami istnieją połączenia proponowane w rozwiązaniu. Do 8 rozwiązań może być zaproponowanych wzdłuż najkrótszych ścieżek.
Użyj przycisków strzałek (![]()
), aby przełączać cyklicznie proponowane rozwiązania przebiegu.
Ustawienia: otwierane jest okno dialogowe Ustawienia konwersji kanału, w którym określane są cechy charakterystyczne segmentu głównego i odgałęzień rury.
Ramka: określa odległość między ramką ograniczającą i komponentami w systemie. Aby umieścić obwód wewnątrz lub na zewnątrz ramki ograniczającej, należy wprowadzić wartość dodatnią lub ujemną.
Należy pamiętać, że ta opcja jest dostępna tylko po wybraniu typu rozwiązania Obwód.
Należy pamiętać, że jest to opcja inna, niż polecenie Cofnij (CTRL+Z), ponieważ polecenie Dodaj umożliwia wprowadzenie elementów niezależnie od sekwencyjnego porządku.
Aby użyć elementu sterowania podstawy, umieść go w miejscu połączenia kanału otwartego w układzie. Element sterowania podstawy można również umieścić, aby połączyć podzespoły układu. Jeśli podstawa znajduje się na tej samej rzędnej, co otwarte połączenia, rura lub kanał poziomy zostaną podłączone z otwartymi połączeniami podzespołów. Jeśli element sterowania podstawy jest umieszczony na rzędnej innej, niż połączenia otwarte, zostanie utworzona rura lub podstopica kanału, aby połączyć układy.
Obróć wokół kierunku połączenia: umożliwia obrócenie elementu sterowania podstawy wokół osi kierunku połączenia elementu sterowania podstawy (kierunek połączenia jest wskazany przez strzałkę w widoku 3D).
Obróć prostopadle do kierunku połączenia: umożliwia obrócenie elementu sterowania podstawy wokół i prostopadle do osi kierunku połączenia elementu sterowania podstawy (kierunek połączenia jest wskazany przez strzałkę w widoku 3D).
Przesuń podstawę: umożliwia przeniesienie elementu sterowania podstawy.