Umieszczanie łącznika zbrojenia

Połącz złączone lub przyległe wystąpienia zbrojenia za pomocą łącznika.

Film: Umieszczanie łączników zbrojenia

  1. Kliknij kartę Konstrukcja panel Zbrojenie (Łącznik zbrojenia).
  2. Kliknij sposób umieszczenia łącznika:
    • Karta Zmień | Wstaw łącznik zbrojenia panel Opcje umieszczenia (Umieść na końcu pręta)
    • Karta Zmień | Wstaw łącznik zbrojenia panel Opcje umieszczenia (Umieść pomiędzy dwoma prętami)
  3. Z listy rozwijanej Wybór typu znajdującej się u góry palety Właściwości wybierz żądany typ łącznika zbrojenia. Rozmiar łącznika zbrojenia zostanie automatycznie dopasowany do prętów, które próbujesz połączyć, lub do rozmiarów ustawionych dla prętów, które są już połączone. Jeśli pasujący typ łącznika nie istnieje w projekcie, zostanie utworzony nowy typ łącznika.
  4. Umieść łącznik na zbrojeniu.
    • Aby umieścić go na końcu pręta, wybierz odpowiedni koniec zbrojenia.
    • W przypadku umieszczania pomiędzy dwoma prętami wybierz dwa prawidłowe wystąpienia zbrojenia. Drugi wybrany pręt zostanie odpowiednio przeniesiony i skrócony na potrzeby łącznika.
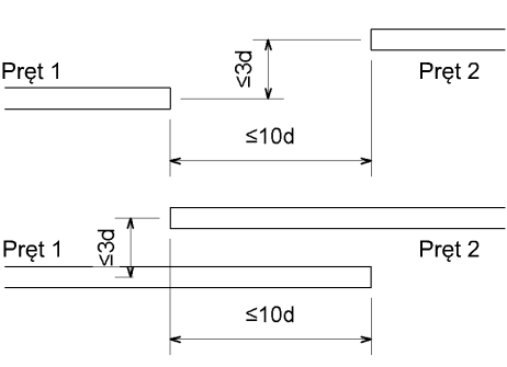
      W przypadku łącznika dwóch wystąpień zbrojenia odległość pomiędzy łączonymi końcami nie powinna być większa niż 10 średnic prętów. Pręty nie mogą być odsunięte od siebie o więcej niż 3 średnice prętów.

      Tolerancja umieszczenia łącznika

Umieszczanie łącznika zbrojenia między prętami łuku

Aby umieścić łącznik zbrojenia między dwoma prętami łuku, te pręty muszą mieć ten sam środek.


Niestyczne.

Wiązanie styczności.

Niestyczne.

Wskazówka: Aby połączyć pręty, które nie są wyrównane, dodaj łącznik do jednego z prętów i zmień obróbkę końcową na drugim pręcie, tak aby można było przygotować go w produkcji do przyjęcia łącznika.