Essa submontagem é utilizada para sobrepor um lado de uma estrada existente e adicionar uma ou mais pistas de rolamento à borda que contorna a esquina do meio-fio.
Ela é similar à submontagem OverlayWidenMatchSlope1, exceto que se estende para dentro de um ponto do flange de meio-fio existente ou proposto.

O ponto de anexação fica na borda externa da seção de alargamento da pista. Normalmente esta submontagem é inserida para dentro a partir do flange de um meio-fio e sarjeta existente ou proposto ou da borda externa de pavimento em torno de uma esquina do meio-fio.
Nota: todas as cotas estão expressas em metros ou pés, a não ser que indicadas de outra forma. Todas as inclinações estão em forma de trecho sobre elevação (por exemplo, 4 : 1), a não ser que sejam indicadas como um percentual de inclinação, por meio de um sinal “%”.
|
Parâmetro |
Descrição |
Tipo |
Padrão |
|---|---|---|---|
|
Lado |
Especifica em qual lado do ponto de anexação esta submontagem será adicionada. |
Booleano |
Esquerdo/Direito |
|
Largura do alargamento |
Largura da pista de alargamento. |
Numérico, positivo |
3,6 m 12,0 pés |
|
Largura da sobreposição |
Largura da sobreposição do pavimento. |
Numérico, positivo |
3,6 m 12,0 pés |
|
Inclinação |
Inclinação da sobreposição e alargamento. |
Numérico |
- 2% |
|
Profundidade Pave1 |
Espessura da camada do Pavimento 1 para o alargamento da pista; zero para omitir |
Numérico, positivo |
0,025 m 0,083 pés |
|
Profundidade Pave2 |
Espessura da camada do Pavimento 2 para o alargamento da pista; zero para omitir |
Numérico, positivo |
0,025 m 0,083 pés |
|
Profundidade base |
Espessura da camada da base para o alargamento da pista. |
Numérico, positivo |
0,100 m 0,333 pés |
|
Profundidade de sub-base |
Espessura da camada de sub-base do alargamento da pista. |
Numérico, positivo |
0,300 m 1,0 pés |
Esta seção lista os parâmetros nesta submontagem que podem ser mapeados para um ou mais objetos de tangente, como uma superfície, um alinhamento ou objeto de perfil em um desenho. Para obter mais informações, consulte Para especificar os alvos do corredor.
|
Parâmetro |
Descrição |
Status |
|---|---|---|
|
Superfície existente |
Nome da superfície que define a rodovia existente. Os seguintes tipos de objeto podem ser usados como alvos para especificar esta superfície: superfícies. |
Necessário |
|
Deslocamento de alargamento |
Pode ser utilizado para substituir a largura do alargamento fixa e vincular a borda interna de alargamento a um alinhamento. Os seguintes tipos de objetos podem ser usados como alvos para especificar este deslocamento: alinhamentos, polilinhas, linhas de recurso ou imagens de levantamento topográfico. |
Opcional |
|
Sobreposição de deslocamento |
Pode ser utilizada para substituir a largura da sobreposição e vincular a borda interna de sobreposição a um alinhamento. Os seguintes tipos de objetos podem ser usados como alvos para especificar este deslocamento: alinhamentos, polilinhas, linhas de recurso ou imagens de levantamento topográfico. |
Opcional |
|
Perfil de sobreposição |
Pode ser utilizada para substituir a inclinação e vincular a elevação da borda interna de sobreposição a um perfil, resultando em uma inclinação calculada. Os seguintes tipos de objeto podem ser usados como alvos para especificar esta elevação: perfis, polilinhas 3D, linhas do recurso ou imagens de levantamento topográfico. |
Opcional |
|
Parâmetro |
Descrição |
Tipo |
|---|---|---|
|
%Inclinação |
A inclinação calculada na superfície existente do ponto de amostra ao ponto de inserção |
Numérico |
O ponto de anexação determina o deslocamento e elevação da borda externa de alargamento. A localização da borda interna de alargamento e borda interna de sobreposição é determinada utilizando as larguras fornecidas e inclinação. Alinhamentos podem ser utilizados para substituir as larguras numéricas fornecidas. Se o Perfil de sobreposição for fornecido, a inclinação será calculada entre a elevação de perfil na borda interna da sobreposição e o ponto de anexação.
A ilustração a seguir mostra uma situação com um perfil de deslocamento de sobreposição. (Se o Perfil de sobreposição for fornecido, a inclinação será calculada entre a elevação de perfil na borda interna da sobreposição e o ponto de anexação.)

A ilustração a seguir mostra uma situação com nenhum perfil de deslocamento de sobreposição.

É importante observar que a inclinação da esquerda para a direita desta submontagem é a mesma. Da mesma forma, a mesma inclinação é aplicada para todas as subsuperfícies.
Finalmente, se o perfil de sobreposição for anexado, teremos que adicionar vínculos verticais (a) desde “deslocamento de sobreposição” até superfície alvo (EG), e (b) desde final de sobreposição e começo de alargamento até superfície alvo (EG), e (c) adicionar vínculos entre dois pontos ao longo de vínculos de superfície alvo (EG) (rastreamento).
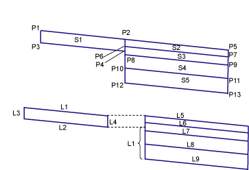
A área formada por este formato é para ser codificada como “Sobreposição” (S1) abaixo do diagrama de codificação.
A sobreposição é a área entre o topo da sobreposição e o terreno existente, e pode ser uma profundidade não uniforme.
No modo do layout, esta submontagem é anexada a qualquer ponto conveniente. A submontagem é mostrada nas larguras e inclinação fornecidas. No modo de modelagem, as formas se ajustam às condições reais definidas pela superfície existente e pelos alinhamentos lógicos de tempo de execução e perfil.
A tabela a seguir lista o ponto, o vínculo, e os códigos da forma para esta submontagem que tenha códigos atribuídos à ela. Ponto, vínculo ou códigos da forma para esta submontagem que não possuam códigos atribuídos não estarão incluídos nesta tabela.
| Ponto, vínculo ou forma | Códigos | Descrição |
|---|---|---|
| P5 | ETW | Margem externa da pista de alargamento na declividade final |
| P7 | ETW_Pave1 | Margem externa da pista de alargamento no Pave1 |
| P9 | ETW_Pave2 | Margem externa da pista de alargamento no Pave2 |
| P11 | ETW_Base | Margem externa da pista de alargamento na bases |
| P13 | ETW_Sub | Margem externa da pista de alargamento na sub-base |
| L1, L5 | Top, Pave | Superfície com declividade final |
| L2 | Sobreposição | Sobreposto sobre vínculos na superfície existente. Observe que pode haver mais de um único vínculo entre os pontos P3 e P4. |
| L6 | Pave1 | |
| L7 | Pave2 | |
| L8 | Base | |
| L9 | Sub-base, referência | |
| L10 | Referência | |
| S1 | Sobreposição | Área entre a sobreposição e a pista existente. |
| S2 | Pave1 | |
| S3 | Pave2 | |
| S4 | Base | |
| S5 | Sub-base |
