Propriedade | Exemplo | Descrição |
---|---|---|
Chamar ponto: código usado para conectar a imagem ativa com um segmento do último ponto especificado ou uma pointID. |
EP1 RPN EP1, RPN101 |
EP1 é o nome da imagem e continua uma imagem ativa se o nome coincide. RPN é a chamado Código de ponto e se não há um ponto que conecta a partir do ponto anterior para o ponto atual e insere um segmento antes do ponto atual. O código EP1 RPN101 conecta a partir do ponto atual para o ponto indicado. |
Conectar ponto: código utilizado para indicar a criação de uma nova imagem (do mesmo recurso) com um único segmento de linha do ponto atual para o ponto especificado ID. A ID do ponto especificado segue o código Conectar ponto. |
EP1 B CPN101 |
Neste exemplo, uma nova imagem é criada no ponto atual, e também uma nova imagem com um único segmento de linha é desenhado até o ponto 101, denominado EP1.CPN101. O nome da imagem pode ser modificado usando o comando Propriedades de imagem. |
O código Conectar Ponto sempre cria uma imagem formada por um único segmento de linha. A ilustração a seguir mostra um exemplo do código Conectar ponto: ![]() |
||
Retângulo: código utilizado para deslocar o segmento em o ponto atual pelo número especificado. |
BLD1 <Retângulo>40 |
Um número positivo indica um deslocamento para a direita, um número negativo indica um deslocamento para a esquerda, que é relativo à direção do segmento de linha em no ponto atual. Se nenhum número segue o código do retângulo, este código Fecha a imagem ao executar uma perpendicular/linha perpendicular de intersecção entre o segmento anterior no ponto atual e o primeiro segmento da imagem. Nota:
Um código de retângulo sem um número requer ao menos três pontos anteriormente localizados na imagem. |
A ilustração a seguir mostra o código doRetângulo com um valor especificado de 40: ![]() |
||
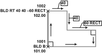
À direita: código utilizado com um código de linha de segmento que permite que vértices adicionais sejam inseridos de maneira perpendicular na imagem, ou como extensões (deslocamentos de reta). |
BLD1 RT X10.1 5 -12.2 -5 -12.2 |
Continua uma figura BLD1 para o ponto atual, estende o segmento atual de unidades10.1 e, em seguida, desenha segmentos perpendiculares para cada valor. Valores de deslocamento, códigos <Estender> ou <Retângulo> procedem o código <Curva à direita>. Números positivos indicam uma volta para a direita e números negativos indicam uma volta para a esquerda. Nota:
Utilize <Estender><Valor> para criar uma extensão reta à frente usando um número positivo ou atrás usando um número negativo . Nota:
Utilize o código do <Retângulo> para completar o código <Retorno à direita>, fechando de volta para o segmento inicial como perpendicular/linha perpendicular de intersecção da imagem do segmento de linha. |
A ilustração a seguir mostra exemplos de código à direita e código doRetângulo: ![]() |
||
Estender: código que é utilizado para criar uma extensão de um segmento de linha em frente através do ponto atual utilizando um valor positivo ou um segmento de linha que é curto do ponto atual utilizando um valor negativo. |
BLD1 X15.5 |
BDL1 continua uma figura ativa, X é o código Estender, e 15.5 é o valor a qual a imagem do segmento de linha é estendida através do ponto atual. |
A ilustração a seguir mostra exemplos de código Estender código à direita e código doRetângulo: ![]() |