Gerador de pinos transversais

Valores recomendados:
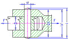
d = (0,2 -0,3) D
D 1 = (1,5 - 2) D - para aço e aço fundido
D 1 = 2,5 D - para ferro fundido cinza
Comprimento ativo do pino
O comprimento ativo do pino l f diminui com os chanfros e as concordâncias. e costuma suportar a carga.
Formulas
Verificação de tensão de corte

Verificação de pressão de contato

Interpretações de símbolos em unidades métricas:
| τ | tensão de cisalhamento [MPa]. |
τ A | tensão de corte suportada [MPa] |
d | diâmetro do pino [mm]. |
p 1 | pressão na vareta de tração [MPa]. |
p 2 | pressão na manga [MPa] |
p 1A | pressão suportada na conexão [MPa] |
p 2A | pressão suportada na vareta de tração [MPa] |
D | diâmetro da vareta de tração [mm] |
D 1 | diâmetro da conexão [mm] |
Interpretação de símbolos em unidades imperiais:
| τ | tensão de cisalhamento [psi] |
τ A | tensão de cisalhamento suportada [psi] |
d | diâmetro do pino [pol] |
p 1 | pressão na vareta de tração [psi] |
p 2 | pressão na conexão [psi] |
p 1A | pressão suportada na conexão [psi] |
p 2A | pressão suportada na vareta de tração [psi] |
D | diâmetro da vareta de tração [pol] |
D 1 | diâmetro da conexão [pol] |