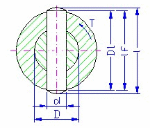
Gerador de pinos radiais

Valores recomendados:
d = (0,2 -0,3) D
D 1 = (1,5 - 2) D - para aço e aço fundido
D 1 = 2,5 D - para ferro fundido cinza
Comprimento ativo do pino
O comprimento ativo do pino l f diminui com os chanfros e as concordâncias. e costuma suportar a carga.
Fórmulas em unidades métricas
Tensão de vergadura

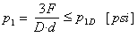
Pressão na haste

Pressão no clevis

Tensão de cisalhamento


em que:
| | F | força [N] |
| | σ 0 | tensão de dobra [MPa] |
| | σ 0D | tensão de dobra suportada [MPa] |
| | M 0 | momento de dobra[N mm] |
| | W 0 | módulo de seção de flexão [mm 3 ] |
| | τ | tensão de corte [MPa] |
| | τ D | tensão de corte suportada [MPa] |
| | d | diâmetro do pino [mm] |
| | p 1 | pressão na vareta [MPa] |
| | p 2 | pressão no clevis [MPa] |
| | p 1D | pressão suportada na vareta [MPa] |
| | p 2D | pressão suportada no clevis [MPa] |
| | b | largura da vareta [mm] |
| | a | largura do braço do clevis [mm] |
| | D | diâmetro do eixo [mm] |
Fórmulas em unidades imperiais
Tensão de vergadura

Pressão na haste

Pressão no clevis

Tensão de cisalhamento


em que:
| | F | força [libras] |
| | σ 0 | tensão de dobra [psi] |
| | σ 0D | tensão de vergadura suportada [psi] |
| | M 0 | momento de dobra [polegadas pés] |
| | W 0 | módulo de seção de flexão [in 3 ] |
| | τ | tensão de cisalhamento [psi] |
| | τ D | tensão de cisalhamento suportada [psi] |
| | d | diâmetro do pino [pol] |
| | p 1 | pressão na vareta [psi] |
| | p 2 | pressão no clevis [psi] |
| | p 1D | pressão suportada na vareta [psi] |
| | p 2D | pressão suportada no clevis [psi] |
| | b | largura da vareta [pol] |
| | a | largura do braço do clevis [pol] |
| | D | diâmetro do eixo [pol] |