Gerador de pinos de segurança

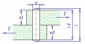
Comprimento ativo do pino
O comprimento ativo do pino l f diminui com os chanfros e as concordâncias. e costuma suportar a carga.
Formulas
Verificação de tensão de corte

Verificação de pressão de contato

Interpretações de símbolos em unidades métricas:
| τ | tensão de corte [MPa] |
τ A | tensão de corte suportada [MPa] |
d | diâmetro do pino [mm] |
p 1 | pressão no quadro superior [MPa] |
p 2 | pressão no quadro inferior [MPa] |
p 1A | pressão suportada no quadro superior [MPa] |
p 2A | pressão suportada no quadro inferior [MPa] |
s 1 | espessura do quadro superior [mm] |
s 2 | espessura do quadro inferior [mm] |
Interpretação de símbolos em unidades imperiais:
| τ | tensão de cisalhamento [psi] |
τ A | tensão de cisalhamento suportada [psi] |
d | diâmetro do pino [pol] |
p 1 | pressão no quadro superior [psi] |
p 2 | pressão no quadro inferior [psi] |
p 1A | pressão suportada no quadro superior [psi] |
p 2A | pressão suportada no quadro inferior [psi] |
s 1 | espessura do quadro superior [mm] |
s 2 | espessura do quadro inferior [mm] |