Confira os aprimoramentos mais recentes do ambiente de esboço.
Ao usar Selecionar outro, os objetos de esboço listados nos resultados incluirão o nome do esboço onde eles são usados. Esta operação está disponível em esboços de peça, montagem e 3D.
Enviado para o Inventor® Ideas
Enviado para o Inventor® Ideas
Quando você copia e cola a geometria e os blocos do esboço, a localização da colagem corresponde à localização do cursor. O centro do conjunto de seleção é colocado na localização do cursor.

Nos ambientes de peça e montagem, agora é possível selecionar por janela ao projetar a geometria de objetos em um esboço.
A seguinte geometria é compatível com a seleção de janela:
A seleção de janela pode levar a uma projeção duplicada de geometrias de esboço, o que pode causar problemas no processo de projeto. É recomendável desativar a visibilidade do esboço para evitar a projeção inesperada.
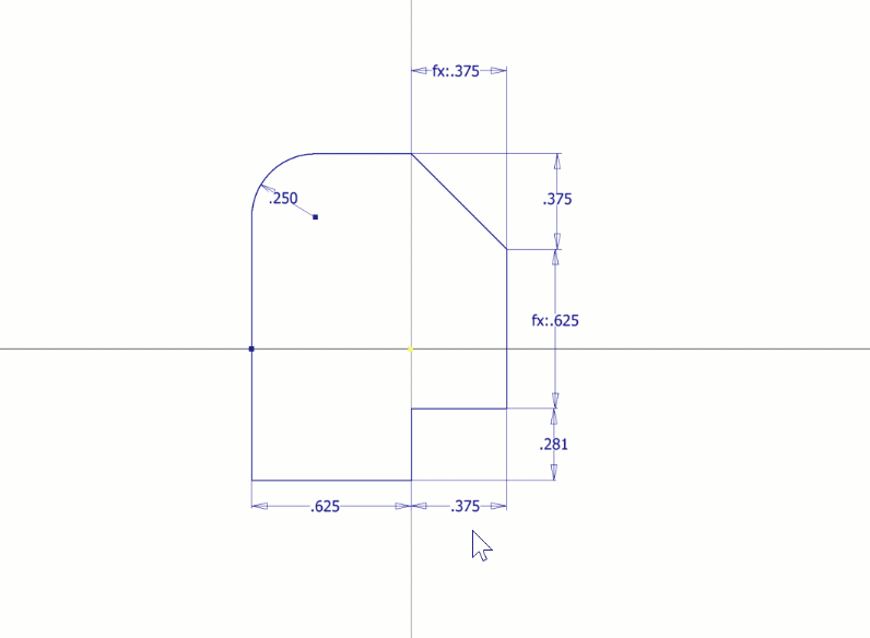
As cotas de esboço agora permanecem em suas posições inseridas relativas à geometria à qual estão associadas.

Enviado para o Inventor® Ideas
Enviado para o Inventor® Ideas
Para obter mais informações, consulte Para criar e editar esboços.