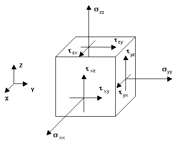
As estruturas volumétricas são modeladas com o uso de elementos finitos volumétricos isoparamétricos com aproximação de campo de deslocamento com base nas funções de forma de primeira ordem. A convenção de sinais para elementos volumétricos é apresentada esquematicamente no desenho abaixo. A convenção é mostrada para tensões e as tensões no desenho têm sinais positivos.
