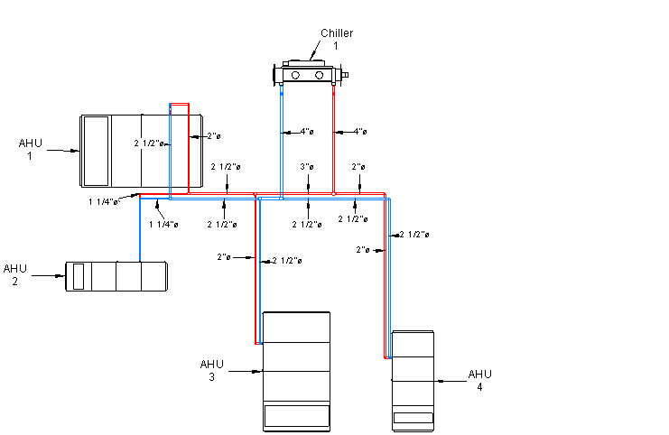
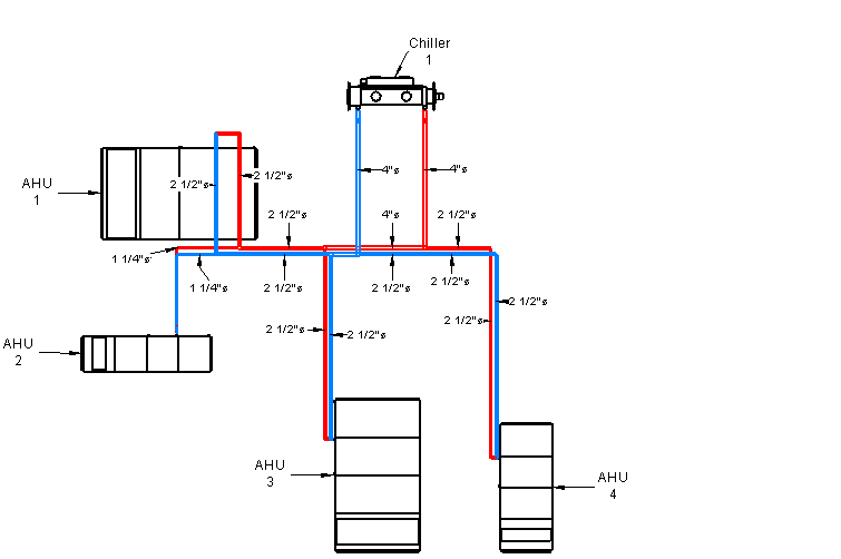
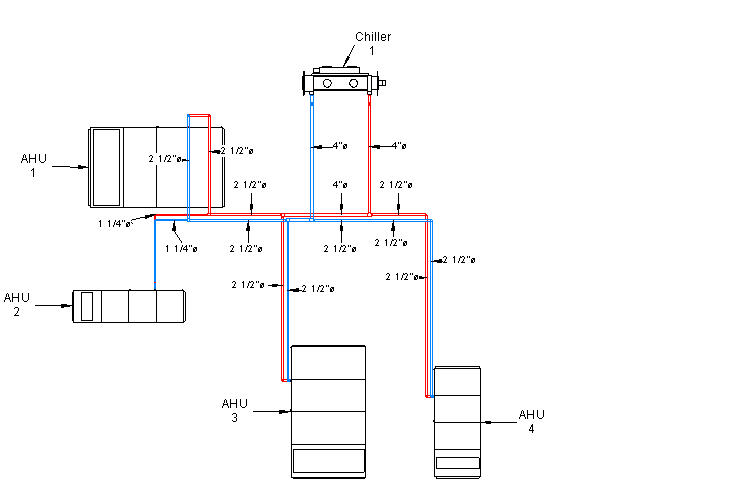
As imagens a seguir mostram os resultados dos diversos métodos de tamanho de tubulação hidrônica.

Antes de dimensionar

Após dimensionar

Antes de dimensionar

Após dimensionar

Antes de dimensionar

Após dimensionar

Antes de dimensionar

Após dimensionar

Antes de dimensionar

Após dimensionar