Генератор поперечного штифта

Рекомендуемые значения:
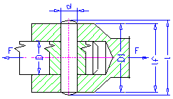
d = (0,2–0,3) D
D1 = (1,5–2) D — для обычной и литой стали
D1 = 2,5 D — для серого чугуна
Активная длина штифта
Активная длина штифта lf — это длина, уменьшенная в результате снятия фасок и сопряжения. Активная длина, как правило, принимает на себя всю нагрузку.
Формулы
Проверка напряжения сдвига

Проверка контактного давления

Интерпретация символов в метрических единицах:
| τ | напряжение сдвига [MПa] |
τA | допустимое напряжение сдвига [MПa] |
d | диаметр штифта [мм] |
p1 | давление в стержне [МПа] |
p2 | давление в муфте [МПа] |
p1A | допустимое давление в муфте [МПа] |
p2A | допустимое давление в стержне [МПа] |
D | диаметр стержня [мм] |
D1 | диаметр муфты [мм] |
Интерпретация символов в британских единицах:
| τ | напряжение сдвига [фунт/кв. дюйм] |
τA | допустимое напряжение сдвига [фунт/кв. дюйм] |
d | диаметр штифта [д] |
p1 | давление в стержне [фунт/кв. дюйм] |
p2 | давление в муфте [фунт/кв. дюйм] |
p1A | допустимое давление в муфте [фунт/кв. дюйм] |
p2A | допустимое давление в стержне [фунт/кв. дюйм] |
D | диаметр стержня [д] |
D1 | диаметр муфты [д] |