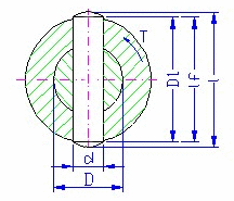
Генератор радиального штифта

Рекомендуемые значения:
d = (0,2–0,3) D
D1 = (1,5–2) D — для обычной и литой стали
D1 = 2,5 D — для серого чугуна
Активная длина штифта
Активная длина штифта lf — это длина, уменьшенная в результате снятия фасок и сопряжения. Активная длина, как правило, принимает на себя всю нагрузку.
Формулы для метрических единиц
Напряжение изгиба

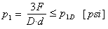
Давление в стержне

Давление в вилке

Напряжение сдвига


Где:
| | F | сила [Н] |
| | σ0 | напряжение при изгибе [MПa] |
| | σ0D | допустимое напряжение при изгибе [MПa] |
| | M0 | изгибающий момент [Н/мм] |
| | W0 | момент сопротивления изгибу [мм3] |
| | τ | напряжение сдвига [MПa] |
| | τD | допустимое напряжение сдвига [MПa] |
| | d | диаметр штифта [мм] |
| | p1 | давление в стержне [MПa] |
| | p2 | давление в вилке [MПa] |
| | p1D | допустимое давление в стержне [MПa] |
| | p2D | допустимое давление в вилке [MПa] |
| | b | ширина стержня [мм] |
| | a | ширина плеча вилки [мм] |
| | D | диаметр вала [мм] |
Формулы для британских единиц
Напряжение изгиба

Давление в стержне

Давление в вилке

Напряжение сдвига


Где:
| | F | сила [фунт] |
| | σ0 | напряжение при изгибе [фунт/кв. дюйм] |
| | σ0D | допустимое напряжение при изгибе [фунт/кв. дюйм] |
| | M0 | изгибающий момент [фунт/фут] |
| | W0 | момент сопротивления изгибу [д3] |
| | τ | напряжение сдвига [фунт/кв. дюйм] |
| | τD | допустимое напряжение сдвига [фунт/кв. дюйм] |
| | d | диаметр штифта [д] |
| | p1 | давление в стержне [фунт/кв. дюйм] |
| | p2 | давление в вилке [фунт/кв. дюйм] |
| | p1D | допустимое давление в стержне [фунт/кв. дюйм] |
| | p2D | допустимое давление в вилке [фунт/кв. дюйм] |
| | b | ширина стержня [д] |
| | a | ширина плеча вилки [д] |
| | D | диаметр вала [д] |