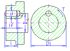
Генератор штифтового соединения

Рекомендуемые значения
d = (0,12–0,25) D
l = (1–1,5) D
Активная длина штифта
Активная длина штифта lf — это длина, уменьшенная в результате снятия фасок и сопряжения. Активная длина, как правило, принимает на себя всю нагрузку.
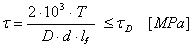
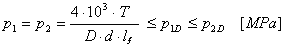
Формулы для метрических единиц
Передаваемый крутящий момент

Проверка напряжения сдвига

Проверка контактного давления

Где:
| | P | передаваемая мощность [кВт] |
| | n | скорость [об/мин] |
| | T | крутящий момент [Нм] |
| | τ | напряжение сдвига [MПa] |
| | τA | допустимое напряжение сдвига [MПa] |
| | d | диаметр штифта [мм] |
| | p1 | давление в вале [МПа] |
| | p2 | давление в ступице [МПа] |
| | p1A | допустимое давление в вале [МПа] |
| | p2A | допустимое давление в ступице [МПа] |
| | D | диаметр вала [мм] |
| | D1 | диаметр ступицы [мм] |
| | lf | активная длина штифта [мм] |
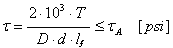
Формулы для британских единиц
Передаваемый крутящий момент

Проверка напряжения сдвига

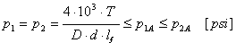
Проверка контактного давления

Где:
| | P | передаваемая мощность [л. с.] |
| | n | скорость [об/мин] |
| | T | крутящий момент [фунт/фут] |
| | τ | напряжение сдвига [фунт/кв. дюйм] |
| | τA | допустимое напряжение сдвига [фунт/кв. дюйм] |
| | d | диаметр штифта [д] |
| | p1 | давление в вале [фунт/кв. дюйм] |
| | p2 | давление в ступице [фунт/кв. дюйм] |
| | p1A | допустимое давление в вале [фунт/кв. дюйм] |
| | p2A | допустимое давление в ступице [фунт/кв. дюйм] |
| | D | диаметр вала [д] |
| | D1 | диаметр ступицы [д] |
| | lf | активная длина штифта [д] |