Генератор стопорных штифтов

Активная длина штифта
Активная длина штифта lf — это длина, уменьшенная в результате снятия фасок и сопряжения. Активная длина, как правило, принимает на себя всю нагрузку.
Формулы
Проверка напряжения сдвига

Проверка контактного давления

Интерпретация символов в метрических единицах:
| τ | напряжение сдвига [MПa] |
τA | допустимое напряжение сдвига [MПa] |
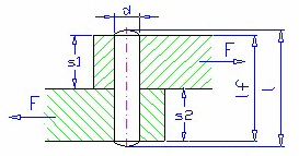
d | диаметр штифта [мм] |
p1 | давление в верхней пластине [МПа] |
p2 | давление в нижней пластине [МПа] |
p1A | допустимое давление в верхней пластине [МПа] |
p2A | допустимое давление в нижней пластине [МПа] |
s1 | толщина верхней пластины [мм] |
s2 | толщина нижней пластины [мм] |
Интерпретация символов в британских единицах:
| τ | напряжение сдвига [фунт/кв. дюйм] |
τA | допустимое напряжение сдвига [фунт/кв. дюйм] |
d | диаметр штифта [д] |
p1 | давление в верхней пластине [фунт/кв. дюйм] |
p2 | давление в нижней пластине [фунт/кв. дюйм] |
p1A | допустимое давление в верхней пластине [фунт/кв. дюйм] |
p2A | допустимое давление в нижней пластине [фунт/кв. дюйм] |
s1 | толщина верхней пластины [д] |
s2 | толщина нижней пластины [д] |