Включение видимости автоматических размеров на эскизах

Отображение автоматических размеров на эскизах по умолчанию отключено. Они отображаются, если семейство содержит хотя бы один маркированный размер.

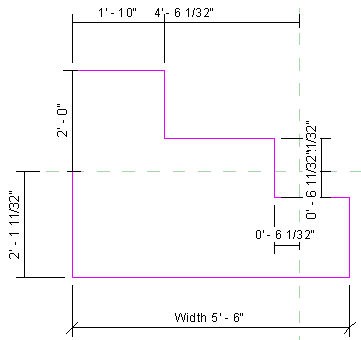
Обратите внимание: на следующей иллюстрации на геометрию нанесен размер, но он не имеет метки.

Автоматические размеры невидимы на эскизе.

Включение видимости автоматических размеров в эскизах

  1. Выберите в режиме эскиза вкладку "Вид" панель "Графика" (Видимость/Графика) или введите значение VG.
  2. Разверните на вкладке "Категории аннотаций" диалогового окна "Переопределения видимости/графики" категорию "Размеры", выберите параметр "Размеры" и установите флажок "Автонанесение размеров в эскизе".
  3. Нажмите "ОК".
  4. Нанесите размеры и добавьте к ним метки.

    На экране отображаются автоматические размеры.

Revit распознает положение каждой линии геометрии относительно вспомогательных плоскостей или других линий эскиза.

При добавлении заблокированных размеров они заменяют автоматические размеры на эскизе, как показано на иллюстрации.