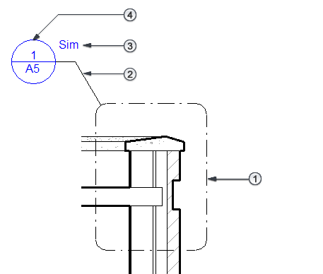
Марка фрагмента — это аннотационный элемент, показывающий местоположение фрагмента на исходном виде.
панель «Параметры»
раскрывающийся список «Дополнительные параметры» и выберите «Марки фрагментов».

Марка фрагмента состоит из следующих компонентов:
Граница фрагмента. Линия, окружающая часть исходного вида и определяющая область фрагмента.
Линия выноски. Линия, соединяющая заголовок фрагмента с границей фрагмента.
Метка связи. Только для ссылочных фрагментов. Текст, отображаемый в марке фрагмента и содержащий информацию о фрагменте.
Заголовок фрагмента. Обозначение, указывающее на фрагмент. При размещении фрагмента на листе заголовок фрагмента отображает соответствующий номер вида и номер листа по умолчанию.