

。 查找
(可選) 對於接腳計數,按一下「點選」並繪製一條展示相應連接器長度的籬選線。
預覽影像會更新,以反映對連接器顯示選項所做的變更。
將顯示連接器的預覽輪廓,以放置在圖面上。它展示了連接器插頭端的圓角。「X」表示連接器的插入點,箭頭表示插頭端接線方向。
如果選取了允許使用分隔符/切斷,則在「自訂接腳空間/切斷」對話方塊中,按一下「立即切斷符號」以切斷連接器,然後會顯示「連接器配置」對話方塊以用於定義您希望將其餘接腳插入圖面中的方式。


。 查找
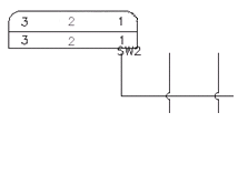
如果選取「是」(預設),則屬性文字方位不會在連接器旋轉時隨之旋轉。
連接器會自動旋轉 90 度。
範例:保留屬性方位 = 是
![]() |
![]() |
![]() |
![]() |
|
原始 |
第一個旋轉 |
第二個旋轉 |
第三個旋轉 |
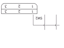
範例:保留屬性方位 = 否
![]() |
![]() |
![]() |
![]() |
|
原始 |
第一個旋轉 |
第二個旋轉 |
第三個旋轉 |


。 查找
連接器將根據其原始方位自動反轉。


。 查找
秘訣與提示


。 查找


。 查找
下一個可用接腳號碼基於既有的接腳以及與所選連接器相關聯的可選擇接腳清單。在專案資料庫中查詢父符號中定義的 PINLIST 值,以確定連接器元件上的下一個可用接腳號碼。這會檢查整個專案,以尋找用於父連接器符號以及所有子連接器符號的接腳號碼。如果尚未定義 PINLIST 值,會使用下一個可用的連續接腳號碼 (基於既有的接腳)。接腳指定可以是數字或字母,也可以是二者的組合。
秘訣與提示


。 查找
連接器圖塊上的接腳號碼屬性消失。不會立即從連接器中移除此屬性以及相關聯的接線和描述屬性。但會對它們進行更名,以便有效地將其忽略。如果隨後拉伸或分割連接器,則這些已刪除的接腳屬性會從連接器圖塊例證中清除。


。 查找
會在選取的接腳號碼周圍繪製暫時圖形,指示其已包含在「置換」清單中。
連接器接腳在兩個選取之間置換。


。 查找
接腳會沿著連接器中心線軸線重新定位,即使您的點選點距離連接器的一惻很遠。您還可以指定超出目前連接器 Shell 兩端的位置,然後使用「拉伸連接器」工具延伸 Shell 來封閉這些接腳。


。 查找