此次組合可覆疊既有道路的一側,並使用為外側行巷道定義的超高坡度將一條或多條行巷道加入至邊緣。

如果「覆疊深度」非零,則貼附點將位於覆疊圖層頂部的內側邊緣;如果「覆疊深度」為零,則貼附點將位於加寬車道完工整地地形上的內側邊緣。
注意事項:除非另有說明,否則所有標註均以公尺或英呎為單位。除非指明是帶有「%」符號的百分比坡度,否則所有坡度均為水平寬度比垂直高度格式 (例如,4 : 1)。
|
參數 |
描述 |
類型 |
預設 |
|---|---|---|---|
|
控制點偏移 |
控制點的偏移,用於定義鋪面覆疊圖層的起點 |
數字 |
0.0 |
|
插入點偏移 |
加寬車道插入點的偏移,通常位於既有車道邊緣。為此參數指定正值可以將此次組合插入廊道右側或控制基準線。如果為負值,則會將其插入左側。若要取得更多資訊,請參閱《Autodesk Civil 3D 使用指南》說明中〈廊道〉一章的〈將次組合插入廊道的右側或左側〉。 |
數字 |
0.0 |
|
覆疊深度 |
既有完工整地地形上方控制點處的覆疊深度。 |
正數 |
0.100 m 0.30 ft |
|
寬度 |
加寬車道的寬度 |
正數 |
3.6 m 12.0 ft |
|
鋪路 1 深度 |
用於加寬車道的鋪路 1 圖層的厚度;零表示省略此參數 |
正數 |
0.025 m 0.083 ft |
|
鋪路 2 深度 |
用於加寬車道的鋪路 2 圖層的厚度;零表示省略此參數 |
正數 |
0.025 m 0.083 ft |
|
基準深度 |
用於加寬車道的基本圖層的厚度 |
正數 |
0.100 m 0.333 ft |
|
基層深度 |
用於加寬車道的基層圖層的厚度 |
正數 |
0.300 m 1.0 ft |
本部分列示了此次組合中可以被對映至一個或多個目標物件 (例如圖面中的地形、定線或縱斷面物件) 的參數。若要取得更多資訊,請參閱〈指定廊道目標的步驟〉。
|
參數 |
描述 |
狀態 |
|---|---|---|
|
既有地形 |
定義既有道路的地形的名稱。以下物件類型可以用作指定此地形的目標:地形。 |
必需 |
|
控制點偏移 |
可以用於取代固定的「控制點偏移」,並將該點與偏移定線關聯。以下物件類型可以用作指定此偏移的目標:定線、聚合線、地勢線或測量圖形。 |
可選 |
|
插入點偏移 |
可以用於取代固定的「插入點偏移」,並將該點與偏移定線關聯。以下物件類型可以用作指定此偏移的目標:定線、聚合線、地勢線或測量圖形。 |
可選 |
|
寬度 |
可以用於取代固定的加寬車道寬度,並將車道邊緣與偏移定線關聯。以下物件類型可以用作指定此偏移的目標:定線、聚合線、地勢線或測量圖形。 |
可選 |
|
參數 |
描述 |
類型 |
|---|---|---|
|
百分比坡度 |
在既有地形上計算出的從取樣點到插入點的坡度 |
數字 |
將從目前控制定線的定線性質取得外側車道的超高,然後確定既有地形上控制點偏移處的高程。
如果指定非零的「覆疊深度」,則會在控制點處套用該覆疊深度。覆疊圖層的頂部將沿超高坡度延伸到插入點偏移處;將透過在控制點與插入點之間的既有地形上疊合連接,然後在每個端點處加入垂直連接,從而封閉覆疊造型。加寬車道將沿超高坡度從覆疊地形邊緣向外延伸指定的寬度。
如果「覆疊深度」為零,則加寬車道將從既有地形上的插入點偏移處,沿超高坡度向外延伸指定的寬度。
鋪面圖層將在每個端點處使用垂直連接來封閉。同時還將從基層內側邊緣到既有地形放置一個垂直連接。
在配置模式中,此次組合可以貼附到任何合宜的點。覆疊圖層將按統一的深度和 3.6 公尺 (或 12 英呎) 的寬度來展示,並以 -2% 的坡度延伸。如果「覆疊深度」為零,則覆疊將展示為單一連接。加寬車道將從覆疊邊緣 -2% 的坡度延伸。
在廊道塑型模式中使用時,造型將調整至選取的控制點、插入點、超高坡度和既有地形。

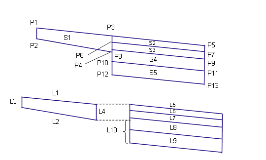
下表列示了此次組合中已為其指定代碼的點代碼、連接代碼和造型代碼。此次組合中未為其指定代碼的點代碼、連接代碼和造型代碼,不包括在此表中。
|
點、連接或造型 |
代碼 |
描述 |
|---|---|---|
|
P5 |
ETW |
完工整地地形上的加寬外側車道邊緣 |
|
P7 |
ETW_Pave1 |
鋪路 1 上的加寬外側車道邊緣 |
|
P9 |
ETW_Pave2 |
鋪路 2 上的加寬外側車道邊緣 |
|
P11 |
ETW_Base |
基準上的加寬外側車道邊緣 |
|
P13 |
ETW_Sub |
基層上的加寬外側車道邊緣 |
|
L1、L5 |
Top, Pave |
完工整地地形地面 |
|
L2 |
Overlay |
既有地形上的疊合連接。請注意,點 P3 與 P4 之間可能存在多個連接。 |
|
L6 |
Pave1 |
|
|
L7 |
Pave2 |
|
|
L8 |
Base |
|
|
L9 |
SubBase, Datum |
|
|
L10 |
Datum |
|
|
S1 |
Overlay |
覆疊與既有車道之間的區域。 |
|
S2 |
Pave1 |
|
|
S3 |
Pave2 |
|
|
S4 |
Base |
|
|
S5 |
SubBase |
