Hinzufügen von Steckerdeskriptoren

Fügen Sie eine Beschreibung für die Stecker - und Buchsenseite des Steckers ein.

AutoCAD Electrical toolset unterstützt zwei Zeilen für Beschreibungstext für jeden Stecker: eine Zeile für die Stecker- und eine für die Buchsenseite des Steckers.

Hinzufügen von Beschreibungen

  1. Klicken Sie mit der rechten Maustaste auf Stecker PJ1, und wählen Sie Betriebsmittel bearbeiten.
  2. Klicken Sie im Dialogfeld Betriebsmittel einfügen/bearbeiten im Abschnitt Anschlüsse auf Liste.
  3. Klicken Sie im Dialogfeld Verwendete Steckeranschlussnummern im Raster Steckeranschluss in die Spalte Beschreibung für Anschluss 1.
  4. Geben Sie im Abschnitt Anschlussbeschreibungen POWER B2 für die Steckdose ein.
  5. Klicken Sie im Raster Steckeranschluss in die Spalte Beschreibung für Anschluss 2.
  6. Geben Sie im Abschnitt Anschlussbeschreibungen POWER B3 für die Steckdose ein.
  7. Klicken Sie im Raster Steckeranschluss in die Spalte Beschreibung für Anschluss 3.
  8. Geben Sie im Abschnitt Anschlussbeschreibungen POWER B4 für die Steckdose ein.
  9. Klicken Sie auf OK.
  10. Klicken Sie im Dialogfeld Betriebsmittel einfügen/bearbeiten auf OK.
  11. Wiederholen Sie dies, um die Beschreibung POWER IN für die Anschlüsse A bei Black Box 2, Black Box 3 und Black Box 4 hinzuzufügen.

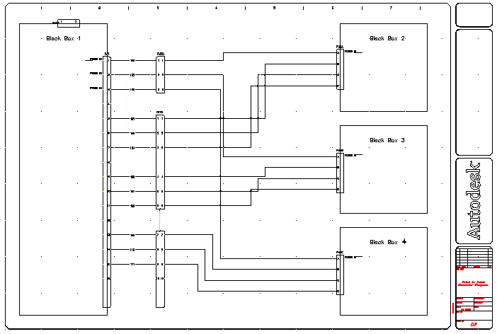
    Das fertige Punkt-zu-Punkt-Diagramm sollte etwa wie folgt aussehen.