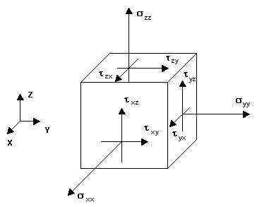
Volumetric structures are modeled with the use of isoparametric volumetric finite elements with displacement field approximation based on first order shape functions. The sign convention for volumetric elements is presented schematically in the drawing below. The convention is shown for stresses and the stresses in the drawing have positive signs.
