Concrete Section Shape Dimensions

Review and modify the values of section shape dimension parameters of concrete structural framing elements.

These type properties are created from the Section Shape family category parameter of the element.

Section shape Available shape dimension parameters
Rectangle

B. Width: the external width of the section shape.

H. Height: the external height of the section shape.

y. Centroid Horizontal: the distance from the centroid of the section shape to the left extremities along the horizontal axis.

z. Centroid Vertical: the distance from the centroid of the section shape to the lower extremities along the vertical axis.

L-Shape

B. Width: the external width of the section shape.

H. Height: the external height of the section shape.

h1. Cut Height: the height of the cut in an L-shape.

b1. Cut Width: the width of the cut in an L-shape.

y. Centroid Horizontal: the distance from the centroid of the section shape to the left extremities along the horizontal axis.

z. Centroid Vertical: the distance from the centroid of the section shape to the lower extremities along the vertical axis.

Round

D. Diameter: the external diameter of the round section shape.

y. Centroid Horizontal: the distance from the centroid of the section shape to the left extremities along the horizontal axis.

z. Centroid Vertical: the distance from the centroid of the section shape to the lower extremities along the vertical axis.

T-shape

B. Width: the external width of the section shape.

H. Height: the external height of the section shape.

h1. Cantilever Height: the height of the cantilever flange in the section shape.

b1. Cantilever Length: the length of the cantilever flange in the section shape.

y. Centroid Horizontal: the distance from the centroid of the section shape to the left extremities along the horizontal axis.

z. Centroid Vertical: the distance from the centroid of the section shape to the lower extremities along the vertical axis.

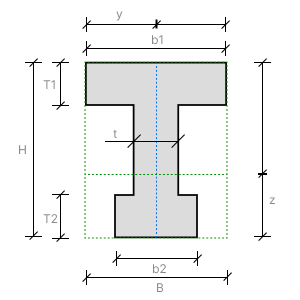
I-shape

B. Width: the external width of the section shape.

H. Height: the external height of the section shape.

T1. Top Flange Thickness: the distance between the exterior surfaces of the top flange in the section shape of a castellated or welded element.

b1. Top Flange Width: the external width of the top flange in the section shape of a castellated or welded element.

T2. Bottom Flange Thickness: the distance between the exterior surfaces of the bottom flange in the section shape of a castellated or welded element.

b2. Bottom Flange Width: the external width of the bottom flange in the section shape of a castellated or welded element.

t. Web Thickness: the distance between the exterior surfaces of the web in the section shape.

y. Centroid Horizontal: the distance from the centroid of the section shape to the left extremities along the horizontal axis.

z. Centroid Vertical: the distance from the centroid of the section shape to the lower extremities along the vertical axis.

Select the Enable Auto-Calculation of Values checkbox in the Type Properties dialog to automatically calculate the following common parameters for all these shapes:
  • Section Area
  • Perimeter
  • Moment of Inertia Strong Axis
  • Moment of Inertia Week Axis
  • Elastic Modulus Strong Axis
  • Elastic Modulus Week Axis
  • Plastic Modulus Strong Axis
  • Plastic Modulus Week Axis
  • Torsional Moment of Inertia
  • Torsional Modulus
  • Warping Constant
  • Shear Area Strong Axis
  • Shear Area Week Axis
  • Principal Axes Angle