Place a Rebar Coupler

Join spliced or adjacent rebar instances with a coupler.

Video: Place Rebar Couplers

  1. Click Structure tab Reinforcement panel (Rebar Coupler)
  2. Click how the coupler is placed:
    • Modify | Insert Rebar Coupler tab Placement Options panel (Place on Bar End)
    • Modify | Insert Rebar Coupler tab Placement Options panel (Place between Two Bars)
  3. In the Type selector at the top of the Properties palette, select the desired rebar coupler type. The rebar coupler size will be automatically adjusted to match the bars you are trying to connect or to match the sizes you set for bars that are already connected. If a matching coupler type does not exist in the project, a new coupler type will be created.
  4. Place the coupler on rebar.
    • For placement on the end of a bar, select the desired end of the rebar.
    • For placement between two bars, select two valid rebar instances. The second bar selected will reposition and shorten as necessary for the coupler.
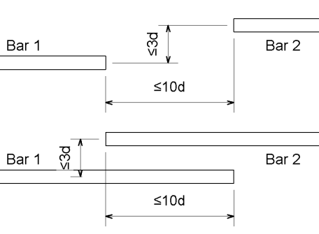
      For a coupler to connect two rebar instances, the connected ends must be no more than the distance of 10 bar diameters apart. The bars cannot be offset more than 3 bar diameters from one another.

      Coupler placement tolerance

Place a rebar coupler between arc bars

To place a rebar coupler between two arc bars, the two bars need to have the same center.


Non-tangent.

Tangent.

Non-tangent.

Tip: To connect bars that are not aligned, add a coupler to one of the bars and change the end treatment to the other bar, so that it can be fabricated for the coupler connection.