A propos du format des références croisées de table

Lorsque vous utilisez le style de format des références croisées de table, l'aperçu change et montre à quoi ressemble la référence croisée dans le dessin.

Format de police du graphique :

Affiche le format des références croisées à l'aide de la police graphique JIC ou IEC. Le paramètre s'applique à la police graphique quel que soit le mode de repérage affecté aux propriétés du projet.

Les exemples suivants affichent le référencement croisé de table à l'aide du format de police du graphique au sein du style de table. La valeur de Compléter la référence avec est "ES" pour les fils (contacts) non utilisés.

JIC

IEC

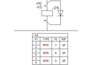
Format d'association des contacts :

Affiche le format des références croisées à l'aide des valeurs de type de référencement croisé (NO, NC, NONC).

JIC

IEC

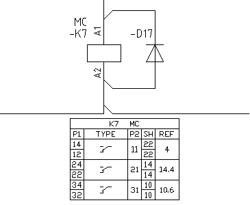
Format d'association des symboles :

Affiche le format des références croisées à l'aide du fichier de bornier AutoCAD (.dwg) pour représenter le type de contact. La table _XREF_GRAPHICS de la base de données de recherche dans le catalogue définit le mappage des symboles. Les symboles mappés sont recherchés dans les dossiers de la bibliothèque de schémas du projet actif en vue d'une insertion.

JIC

IEC

Contacts et tables de forme C

Le type de contact de forme C est utilisé couramment. Il se compose de 2 contacts ; 1 ouvert et 1 fermé, où ils partagent un numéro de broche de la borne. Vous pouvez choisir d'insérer les deux contacts de forme C sous la forme de symboles séparés ou ensemble en tant que symbole unique.

Exemple : deux symboles composent le contact de forme C

La broche commune se situe sur le côté droit à côté de la colonne de référencement et s'affiche dans la colonne P2 de la table.

JIC

IEC

Remarque : Si vous utilisez la méthode de mappage des symboles, un seul symbole représente le contact de forme C, même si deux contacts séparés sont insérés.

Exemple : un symbole unique compose le contact de forme C

La broche commune se situe sur le côté droit à côté de la colonne de référencement et s'affiche dans la colonne P2 de la table.

JIC

IEC

Paramètres remplaçables dans le titre de la table

Le référencement croisé des styles de table permet de définir et d'afficher les paramètres remplaçables dans le titre de la table. Certaines commandes AutoCAD Electrical toolset le prennent en compte lorsque des modifications sont apportées au dessin.

Supprimer le composant

Si un composant comportant une table de référence croisée est supprimé, la table est également supprimée du dessin.

Réévaluation de repère de composant

Lorsqu'un composant est réévalué (réévaluer, déplacer le composant, déplacer le circuit, modifier le composant), la table de référence croisée est mise à jour si le repère fait partie du titre.

Modifier le composant

Si un paramètre remplaçable est modifié pour un composant comportant une table de référence croisée, le titre de la table est mis à jour pour prendre en compte ces modifications.

Copier l'affectation du catalogue

Lors de la copie d'un numéro de catalogue différent sur un symbole père, la liste des broches (broches) et le nombre de contacts peuvent être mis à jour et la table de référence croisée est mise à jour en temps réel.

Mode combiné Installation/Localisation

Si les valeurs d'installation ou de localisation à l'échelle du dessin changent, le titre de la table de référence croisée est mis à jour pour prendre en compte ces modifications.

Copier le circuit

Lorsqu'un circuit comportant une table de référence croisée est copié, le titre de la table est mis à jour avec les nouvelles valeurs de repère.

Insérer un composant

Lors de l'insertion d'un composant fils comportant une table de référence croisée, la table est insérée aux emplacements des attributs de références croisées (XREF et XREFNO). Lors de l'insertion d'un composant fils, la table de référence croisée est mise à jour pour le composant père.

Déplacement rapide

Lors du déplacement rapide d'un composant père comportant une table de référence croisée, la table est également déplacée rapidement le long du fil.

Remarque : Si vous changez le numéro de catalogue du composant ou ajoutez un numéro de catalogue de nomenclature multiple (les deux modifient les données de la liste des broches), la table de référence croisée est mise à jour dès que vous quittez la boîte de dialogue Insérer/Modifier un composant. En outre, si vous modifiez la liste des broches manuellement sur le composant père, la table de référence croisée est mise à jour avec les nouveaux numéros de broches et le nombre de contacts modifié lorsque vous quittez la boîte de dialogue Insérer/Modifier un composant.

Les commandes qui ne prennent pas en charge les mises à jour des références croisées en temps réel comprennent :