È possibile creare diversi tipi di quote per diversi tipi di oggetto in molti orientamenti e allineamenti.
I tipi di base di quotatura sono lineare, radiale, angolare, coordinata e lunghezza arco. Utilizzare il comando DIM per creare automaticamente le quote in base al tipo di oggetto che si desidera quotare.
È possibile controllare l'aspetto delle quote impostando gli stili di quota o modificando le singole quote in casi speciali. Gli stili di quota consentono di specificare velocemente le convenzioni e mantenere gli standard di quotatura del progetto o del settore.
Le quote lineari possono essere orizzontali, verticali o allineate. È possibile creare una quota allineata, orizzontale o verticale con il comando DIM a seconda del modo in cui si sposta il cursore quando si posiziona il testo.


Una quota radiale misura il raggio e il diametro di archi e cerchi mediante una linea d'asse o un centro opzionale. Diverse opzioni vengono visualizzate nella figura.

Le quote angolari consentono di misurare l'angolo tra tre punti o due oggetti geometrici selezionati. Da sinistra a destra, nell'esempio vengono mostrate quote angolari create utilizzando un vertice e due punti, un arco e due linee.

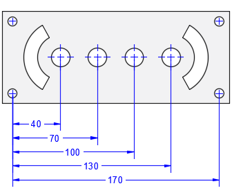
Le quote coordinata misurano le distanze perpendicolari da un punto di origine, chiamato riferimento, ad una lavorazione, ad esempio un foro in una parte. Queste quote evitano eventuali errori di rappresentazione in scala, poiché mantengono gli sfalsamenti precisi tra le lavorazioni e il riferimento.

In questo esempio, il riferimento (0,0) viene indicato come foro nell'angolo inferiore sinistro del gruppo illustrato.
Le quote lunghezza arco misurano la distanza tra un segmento d'arco o un segmento d'arco di polilinea. Uno degli usi più comuni delle quote lunghezza arco è la misurazione dalla distanza di percorrenza intorno a una camma o l'indicazione della lunghezza di un cavo.
Per differenziarsi dalle quote lineari o angolari, le quote lunghezza arco presentano per default il simbolo di un arco. Il simbolo dell'arco, definito anche cappello, viene visualizzato al di sopra o prima del testo della quota.

Quote continue, anche denominate quote concatenate, sono quote multiple posizionate alle estremità.

Le quote da linea di base sono quote multiple con linee di quota di offset misurate dalla stessa posizione.

Per impostazione predefinita, tutti i nuovi oggetti vengono creati sul livello corrente . Per i nuovi oggetti dimensione, è possibile specificare un livello predefinito diverso dal livello corrente specificando il livello con la variabile di sistema DIMLAYER.
La direzione orizzontale e verticale di linee direttrici di collegamento, componenti di quote e oggetti di testo viene determinata al momento della loro creazione a partire dagli assi UCS. Se una vista in un disegno viene ruotata, è possibile prima utilizzare l'opzione UCS/Vista per impostare le direzioni orizzontale e verticale rispetto al disegno anziché la vista ruotata.